EasyManua.ls Logo

Omron NX-PG0122 - Page 40

Omron NX-PG0122
468 pages
Print Icon
To Next Page IconTo Next Page
To Next Page IconTo Next Page
To Previous Page IconTo Previous Page
To Previous Page IconTo Previous Page
Loading...
1 Features and System Configuration
1 - 4
NX-series Position Interface Units Users Manual (W524)
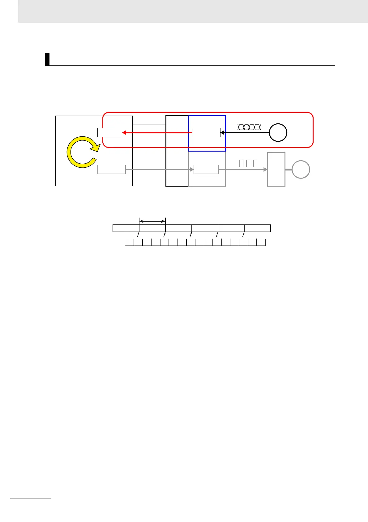
The SSI Input Units convert serial data from an SSI interface-compatible absolute encoder or linear
encoder to obtain the absolute position.
Use an SSI Input Unit to enable the Controller to identify control positions based on the absolute posi-
tion information obtained from the target device.
*1. The count value of the encoder (serial data) is sent to the Controller every control period.
Features
You can connect to an absolute encoder with an SSI interface.
A baud rate (synchronous clock of SSI communications) of up to 2.0 MHz is supported.
Either one or two SSI input ports are provided. Each port can be set up with independent function-
ality.
SSI Input Units
Controller
Count value
Control
(synchronization)
period
Target position
Example:
EtherCAT
EtherCAT
Coupler
Unit
Data conversion
SSI input
Pulse output
Pulse generation
Pulses
Motor and drive
Encoder
Serial data
*1
014710
...
Controller
count value
Control period
0123456789101112
... ... ...
Count valueUnit
(serial data)

Table of Contents

Related product manuals