EasyManua.ls Logo

Omron S8M - Block Diagrams

Omron S8M
24 pages
Print Icon
To Next Page IconTo Next Page
To Next Page IconTo Next Page
To Previous Page IconTo Previous Page
To Previous Page IconTo Previous Page
Loading...
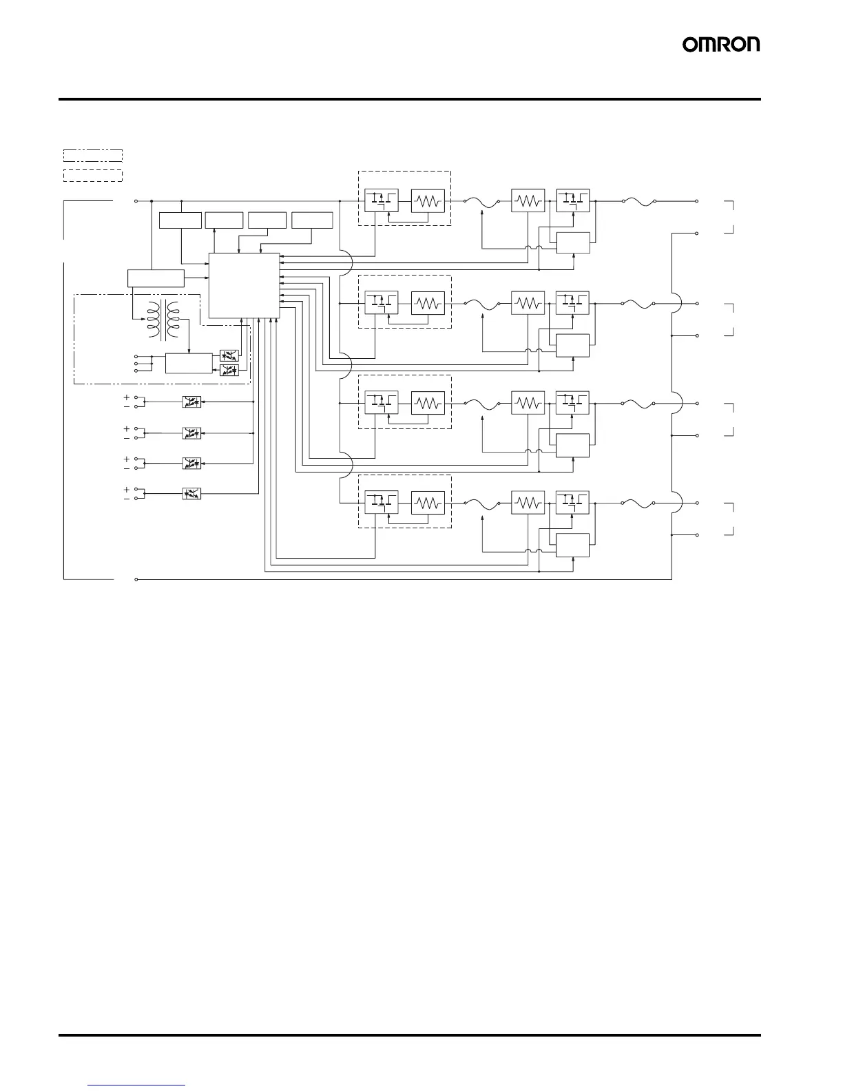
4 Digital Multicircuit Protector S8M
Connections
Block Diagrams
DC branch output 4
V
+V
DC branch output 3
V
+V
DC branch output 2
Fuse
Cutoff
circuit
Current-detection
resistor
Cutoff
circuit
Cutoff
circuit
Voltage
detection
S8M-CP04-R/-RS only
Power supply
circuit
Communications
circuit
Communi-
cations
terminals
RS-232C
Display
circuit
Switch
Processing
circuit
Temperature
detection
Current-detection
resistor
Current-detection
resistor
Cutoff
circuit
Thermal
fuse
Thermal
fuse
Current-detection
resistor
Cutoff
circuit
Current-detection
resistor
Cutoff
circuit
Thermal
fuse
Current-
limiting
circuit
Current-
limiting
circuit
Current-
limiting
circuit
Current-
limiting
circuit
Current-detection
resistor
Cutoff
circuit
Current-detection
resistor
Cutoff
circuit
Thermal
fuse
Fuse
Fuse
Fuse
V
+V
DC branch output 1
V
+V
+V
V
Tripping alarm
output
Alarm output
Over-
temperature
output
External
tripping input
DC input
power supply
SD
RD
SG
S8M-CP04-RS only
Current-detection
resistor

Other manuals for Omron S8M