EasyManua.ls Logo

oneConcept 10033098 - Visión General del Aparato

oneConcept 10033098
Print Icon
To Next Page IconTo Next Page
To Next Page IconTo Next Page
To Previous Page IconTo Previous Page
To Previous Page IconTo Previous Page
Loading...
35
ES
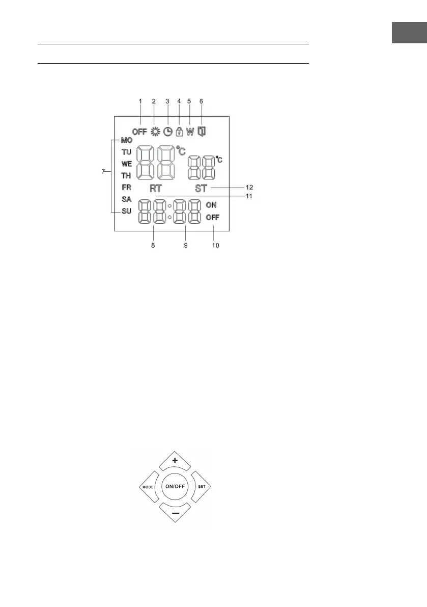
VISIÓN GENERAL DEL APARATO
1 Botón de estado: on/off
2 Indicador de funcionamiento del radiador
3 Temporizador: 1-24 horas
4 Bloqueo para niños
5 Temporizador semanal
6 Función „detectar ventana abierta
7 Día de la semana
8 Horas
9 Minutos
10 Conguración de la hora on/off (P3)
11 Temperatura ambiente
12 Temperatura seleccionada
TECLAS