EasyManua.ls Logo

oneConcept 10033098 - Descrizione del Dispositivo

oneConcept 10033098
Print Icon
To Next Page IconTo Next Page
To Next Page IconTo Next Page
To Previous Page IconTo Previous Page
To Previous Page IconTo Previous Page
Loading...
45
IT
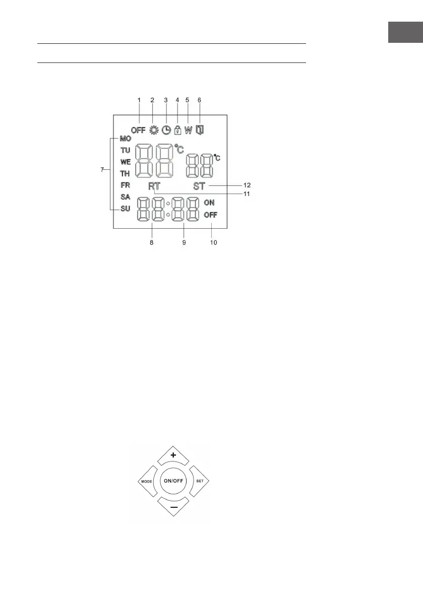
DESCRIZIONE DEL DISPOSITIVO
1 Pannello tasti di stato: on/off
2 Stato di funzionamento radiatore
3 Timer: 1-24 ore
4 Sicura per bambini
5 Timer settimanale
6 Funzione “Rilevamento nestra aperta
7 Giorno della settimana
8 Ora
9 Minuto
10 Impostazione tempo on/off (P3)
11 Temperatura stanza
12 Temperatura impostata
TASTIERA