EasyManua.ls Logo

oneConcept 10033098 - Geräteübersicht

oneConcept 10033098
Print Icon
To Next Page IconTo Next Page
To Next Page IconTo Next Page
To Previous Page IconTo Previous Page
To Previous Page IconTo Previous Page
Loading...
5
DE
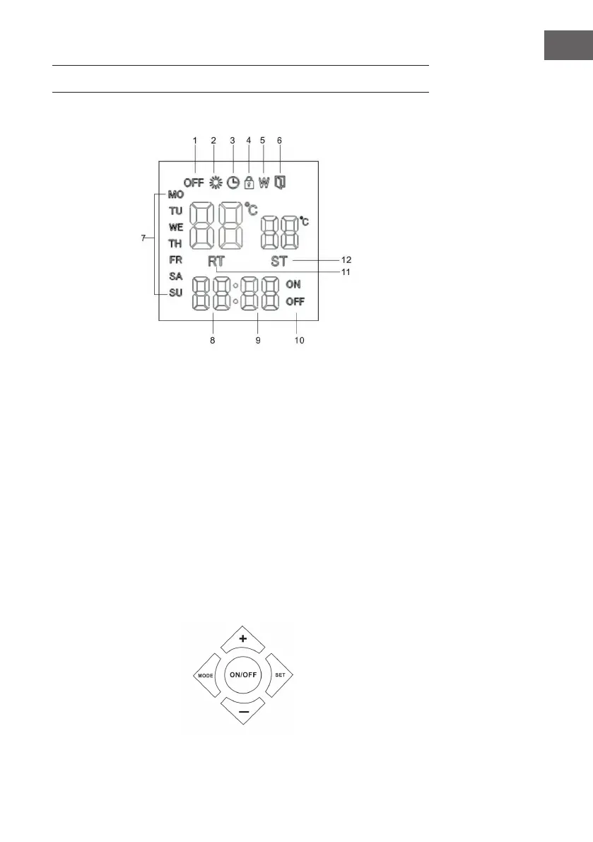
GERÄTEÜBERSICHT
1 Status Tastenfeld: ein/aus
2 Betriebsstatus Radiator
3 Timer: 1-24 Stunden
4 Kindersicherung
5 Wochenzeitschaltuhr
6 Funktion “Geöffnetes Fenster erkennen”
7 Wochentag
8 Stunde
9 Minute
10 Zeiteinstellung ein/aus (P3)
11 Raumtemperatur
12 Eingestellte Temperatur
Tastenfeld