EasyManua.ls Logo

Onix FH102A-S - Schematic Wiring Diagram; When Not in Use

Onix FH102A-S
12 pages
Print Icon
To Next Page IconTo Next Page
To Next Page IconTo Next Page
To Previous Page IconTo Previous Page
To Previous Page IconTo Previous Page
Loading...
Page 10 of 12
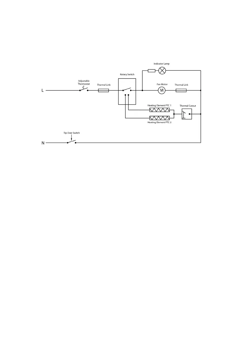
8 Schematic Wiring Diagram
9 When the Appliance is Not in Use
When the appliance is not in use or is not going to be used for a long period, disconnect
from the electricity supply and store in a dry safe place.

Related product manuals