EasyManua.ls Logo

Onkyo AVX-280

Onkyo AVX-280
56 pages
To Next Page IconTo Next Page
To Next Page IconTo Next Page
To Previous Page IconTo Previous Page
To Previous Page IconTo Previous Page
Loading...
13
En
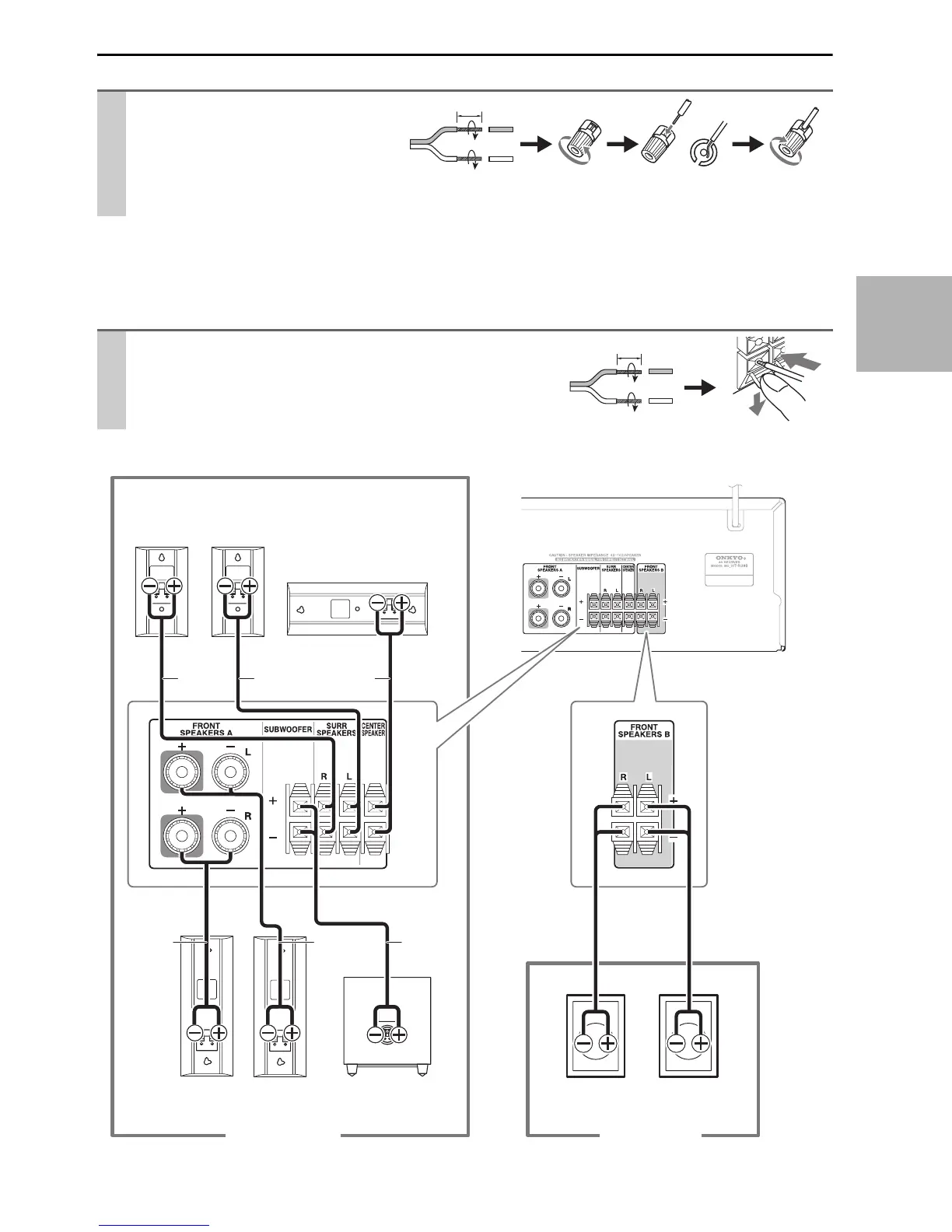
Connecting the Speaker Cables
Screw-type speaker terminals
Using Banana Plugs
If you are using banana plugs, tighten the speaker terminal before inserting the banana plug.
Do not insert the speaker code directly into the center hole of the speaker terminal.
Push-type speaker terminals
The following illustration shows which speaker should be connected to each pair of terminals.
Strip 1/2" to 5/8" (12 to 15 mm) of insu-
lation from the ends of the speaker
cables, and twist the bare wires tightly,
as shown.
(Supplied speaker cables are already
stripped.)
Strip 3/8" to 1/2" (10 to 12 mm) of insulation from the ends of the
speaker cables, and twist the bare wires tightly, as shown.
(Supplied speaker cables are already stripped.)
1/2" to 5/8" (12 to 15 mm)
3/8" to 1/2" (10 to 12 mm)
Surround
right
speaker
Surround
left
speaker
Front right
speaker A
Front left
speaker A
Center speaker
Subwoofer
Blue
Red
Gray
Purple
White
Green
Front right
speaker B
Front left
speaker B
Speakers BSpeakers A

Table of Contents

Related product manuals