EasyManua.ls Logo

Onkyo HTX-22HDX

Onkyo HTX-22HDX
66 pages
To Next Page IconTo Next Page
To Next Page IconTo Next Page
To Previous Page IconTo Previous Page
To Previous Page IconTo Previous Page
Loading...
HTX-22HDX
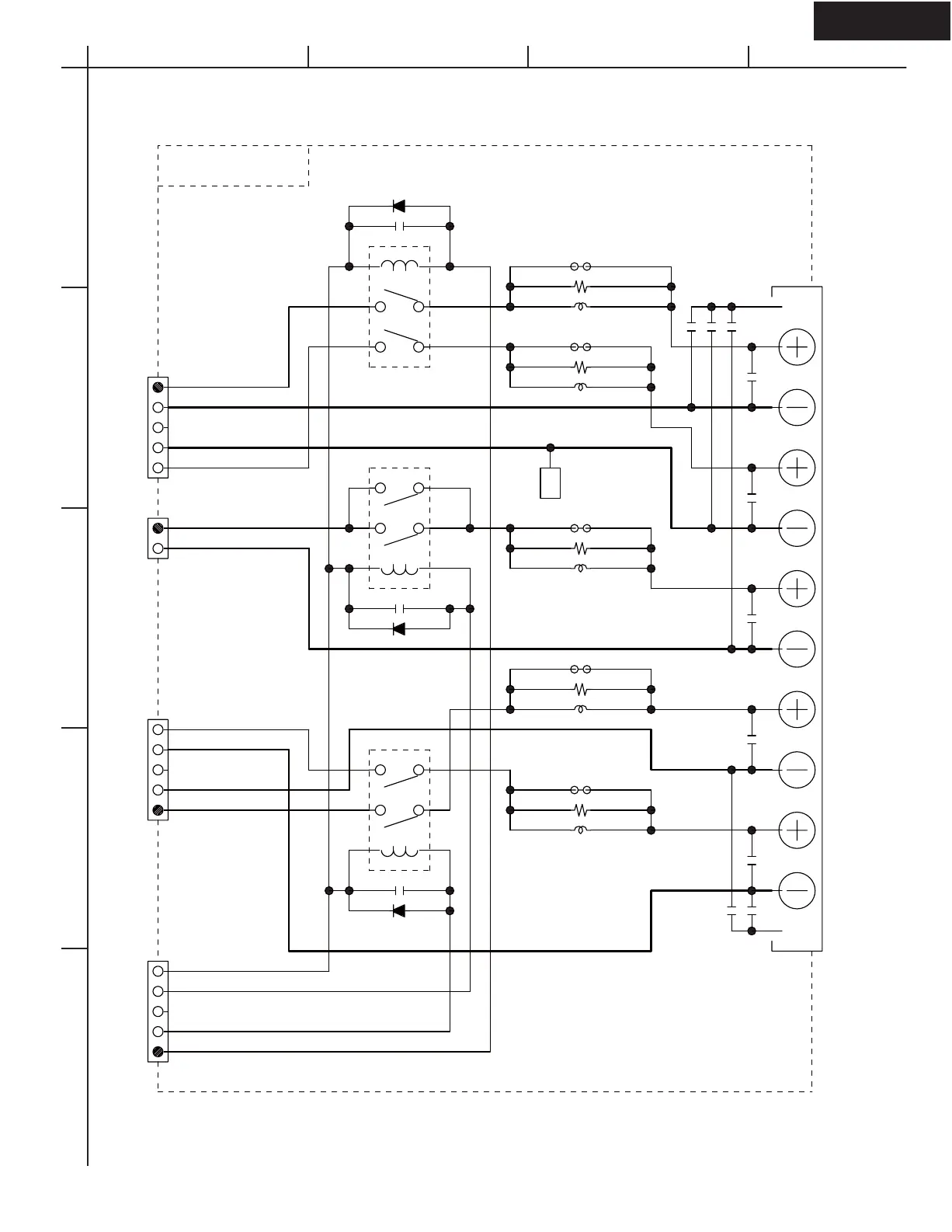
SCHEMATIC DIAGRAMS - 8.1/8
SPEAKER TERMINAL SECTION
A
1
2
3
4
5
BCD
FL_SPOUT
FR_SPOUT
C_SPOUT
SR_SPOUT
SL_SPOUT
+12.6V
C_SPRL
SLR_SPRL
FLR_SPRL
SP OUT
FL
FR
C
SL
SR
TO BCAF-0326
TO BCAF-0326
TO BCAF-0326
TO BCAF-0326
BATRM-0334
J5855
L5855
R5855
10(1/2W)
L5854
R5854
10(1/2W)
J5854
L5851
J5851
R5851
10(1/2W)
C5854
102J
J5852
L5852
R5852
10(1/2W)
C5855
102J
C5856
102J
C5863
102J
C5862
102J
P5851
11
GND
5
10
4
9
3
8
2
7
1
6
12
GND
C5857
103J
C5858
103J
C5859
103J
C5860
103J
C5861
103J
C5853 102J
D5853
KDS4148U
L5853
R5853
10(1/2W)
J5853
D5852
KDS4148U
C5852 102J
C5851 102J
D5851 KDS4148U
JL9103C
1
2
3
4
5
P5001C
1
2
3
4
5
P5201C
2
1
P5101C
1
2
3
4
5
RL5851
6
5
2 3
4
1
RL5852
2
5
6 1
4
3
RL5853
2
5
6 1
4
3
P5901
CLAMPER
1

Other manuals for Onkyo HTX-22HDX

Related product manuals