EasyManua.ls Logo

Onkyo TA-2820 - IC Block Diagrams; HA12142 NT (Dolby NR) IC Diagram; µPC1297 CA (HX PRO) IC Diagram

Onkyo TA-2820
16 pages
Print Icon
To Next Page IconTo Next Page
To Next Page IconTo Next Page
To Previous Page IconTo Previous Page
To Previous Page IconTo Previous Page
Loading...
Os:
740)
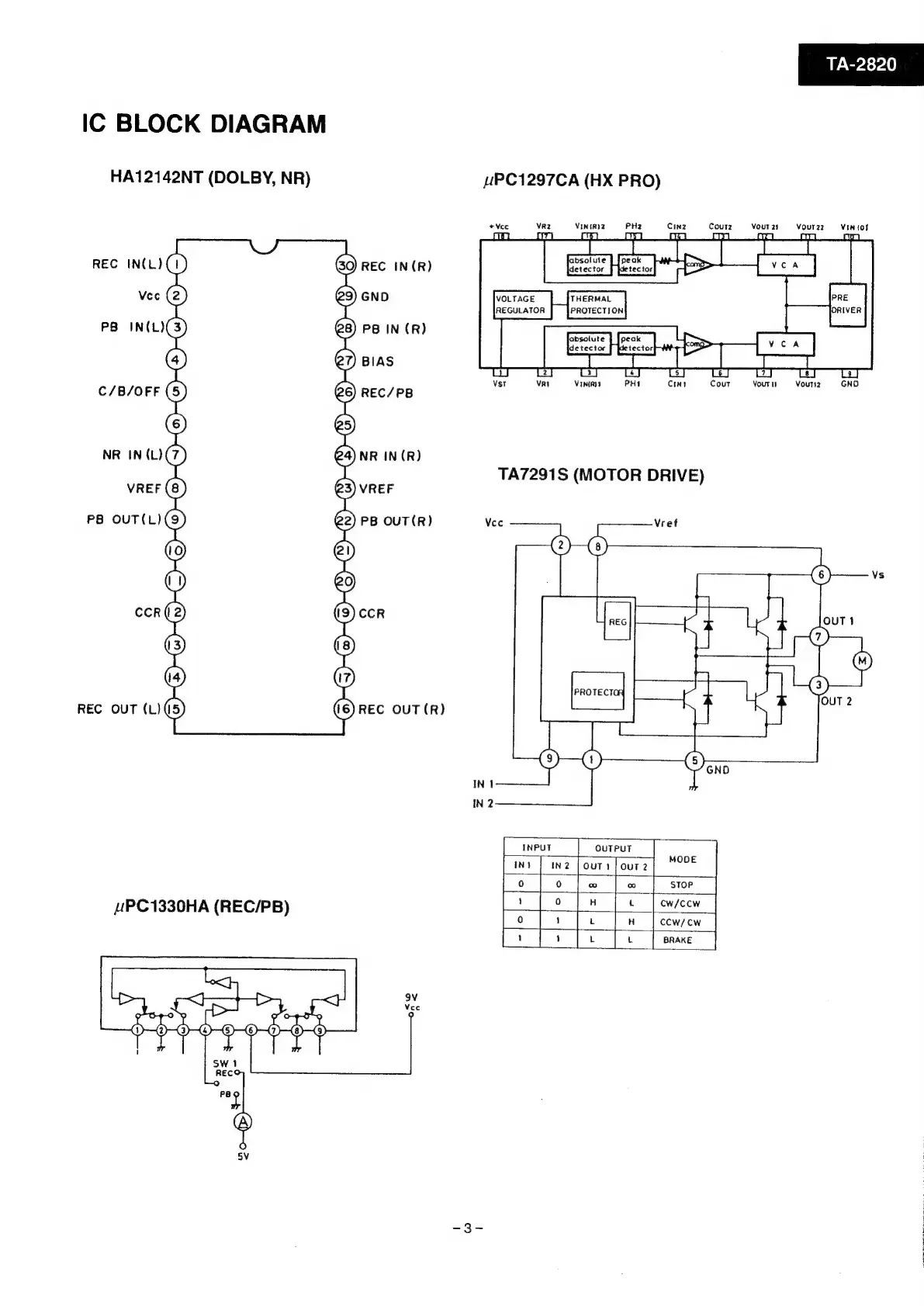
IC
BLOCK
DIAGRAM
HA12142NT
(DOLBY,
NR)
HPC1297CA
(HX
PRO)
+Vee
VR2
eis
ae
pili
pe
Vour
2s
Vour22
Vinitos
REC
IN(L)(1)
Gd)
REC
IN(R)
absolute
a
detector
tector,
@7)
BIAS
serial
i
3]
L4
]
VsT
vai
VINIRIY
PHI
rT
re
Vout
it
Vouti2z
GND
TA7291S
(MOTOR
DRIVE)
REC
OUT
(L)(/5)
(16)
REC
OUT
(R)
INPUT
OUTPUT
MOOE
IN}
IN2
|
OUT1
{OUT
2
0
(0)
fo]
oo
STOP
1
0
H
t
cw/CCWw
UPC1330HA
(REC/PB)
:
0
1
L
H
ccw/Cw
1 1
L
£5
BRAKE
5V

Related product manuals