EasyManua.ls Logo

Onkyo TX-820 - Page 4

Onkyo TX-820
22 pages
Print Icon
To Next Page IconTo Next Page
To Next Page IconTo Next Page
To Previous Page IconTo Previous Page
To Previous Page IconTo Previous Page
Loading...
System
connections
SSS
ae
a
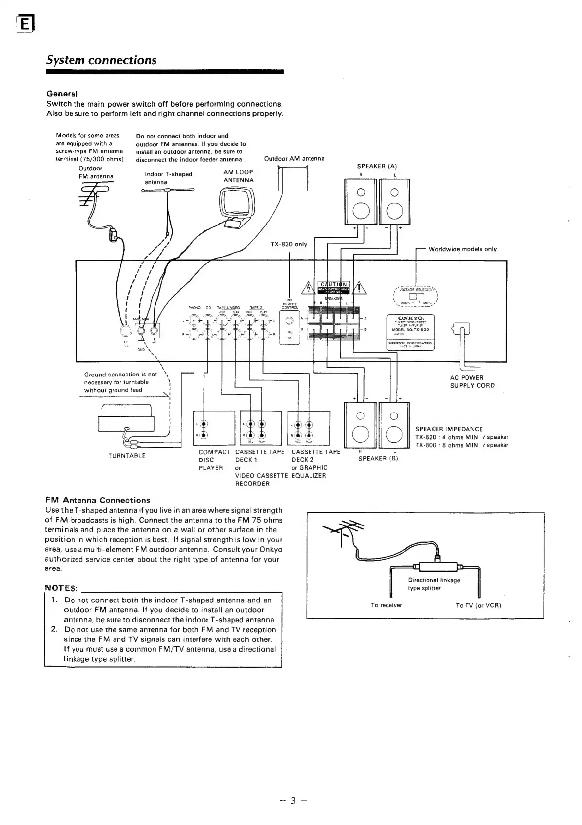
General
Switch
the
main
power
switch
off
before
performing
connections.
Aliso
be
sure
to
perform
left
and
right
channel
connections
properly.
Models
for
some
areas
Do
not
connect
both
indoor
and
are
equipped
with
a
outdoor
FM
antennas.
If
you
decide
to
screw-type
FM
antenna
install
an
outdoor
antenna,
be
sure
to
terminal
(75/300
ohms).
disconnect
the
indoor
feeder
antenna.
Outdoor
AM
antenna
Outdoor
SPEAKER
(A)
Indoor
T-shaped
Am
LOOP
R
L
FM
antenna
antenna
ANTENNA
s
OO
+
-
-
+
“if
TX-820
only
s/f
Worldwide
models
only
490
a
44
oy
44
pe
!
(Wasa
SELECTORS,
‘ioe
‘ee
cae
1
“So
Ben
a
baer
1
H
PHONO
CD
TAPEUMIOEO
U
snrhengfs
Pe
NEES
re
Mort
oh Ts
=,
SOO
RAT
ono
Sy
‘N
\
F
Me
Ground
connection
ts
not
\
AC
POWER
necessary
for
turntable
SUPPLY
CORD
'
without
ground
lead
}
$$$
$$$
let
ald.
I
1
Ld
O
O
'
L L
>)
(@)
L
t
:
Bik
SPEAKER
IMPEDANCE
us
1)
r@l(e
TX-820
:
4
ohms
MIN.
/
speaker
=
TX-800
:
8
ohms
MIN.
/
speaker
COMPACT
CASSETTE
TAPE
CASSETTE
TAPE
R
L
PURNTGBCE
DISC
DECK
1
DECK
2
SPEAKER
(8)
PLAYER
or or
GRAPHIC
VIDEO
CASSETTE
EQUALIZER
RECORDER
FM
Antenna
Connections
Use
the
T-shaped
antenna
if
you
live
in
an
area
where
signal
strength
of
FM
broadcasts
is
high.
Connect
the
antenna
to
the
FM
75
ohms
terminals
and
place
the
antenna
on
a
wall
or
other
surface
in
the
position
in
which
reception
is
best.
If
signal
strength
is
low
in
your
area,
use
a
multi-element
FM
outdoor
antenna.
Consult
your
Onkyo
authorized
service
center
about
the
right
type
of
antenna
for
your
area.
Directional
linkage
NOTES:
type
splitter
1.
Do
not
connect
both
the
indoor
T-shaped
antenna
and
an
outdoor
FM
antenna.
If
you
decide
to
install
an
outdoor
antenna,
be
sure
to
disconnect
the
indoor
T-shaped
antenna.
Do
not
use
the
same
antenna
for
both
FM
and
TV
reception
To
receiver
To
TV
(or
VCR)
since
the
FM
and
TV
signals
can
interfere
with
each
other.
tf
you
must
use
a
common
FM/TV
antenna,
use
a
directional
linkage
type
splitter.

Related product manuals