EasyManua.ls Logo

Onkyo TX-890 - Page 4

Onkyo TX-890
15 pages
Print Icon
To Next Page IconTo Next Page
To Next Page IconTo Next Page
To Previous Page IconTo Previous Page
To Previous Page IconTo Previous Page
Loading...
®
For
the
RC-AV20M
transmitter,
a
seperate
instruction
manual
®
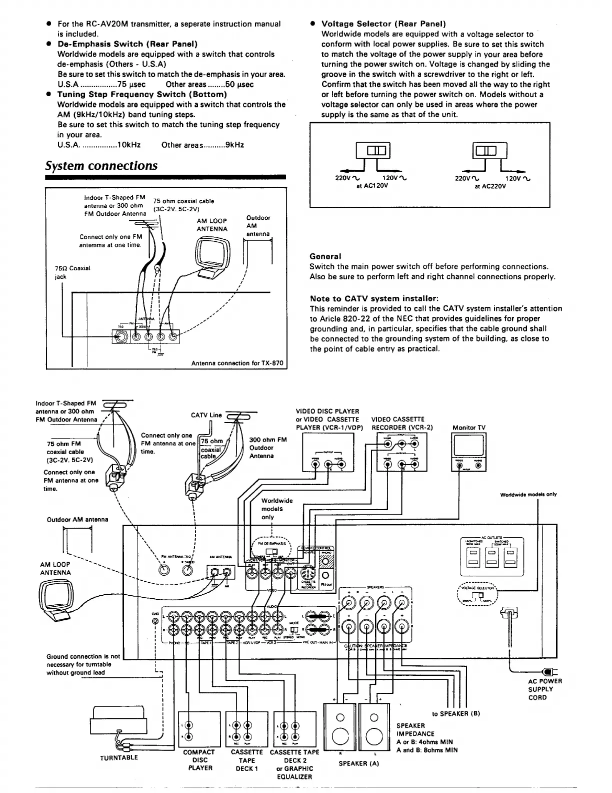
Voltage
Selector
(Rear
Panel)
is
included.
Worldwide
models
are
equipped
with
a
voltage
selector
to
@
De-Emphasis
Switch
(Rear
Panel)
conform
with
local
power
supplies.
Be
sure
to
set
this
switch
Worldwide
models
are
equipped
with
a
switch
that
controls
to
match
the
voltage
of
the
power
supply
in
your
area
before
de-emphasis
(Others
-
U.S.A)
.
turning
the
power
switch
on.
Voltage
is
changed
by
sliding
the
Be
sure
to
set
this
switch
to
match
the
de-emphasis
in
your
area.
groove
in
the
switch
with
a
screwdriver
to
the
right
or
left.
U.S.A
....eeeeeeeeeeees
75
psec
Other
areas
........
50
usec
Confirm
that
the
switch
has
been
moved
all
the
way
to
the
right
®
Tuning
Step
Frequency
Switch
(Bottom)
or
left
before
turning
the
power
switch
on.
Models
without
a
Worldwide
models
are
equipped
with
a
switch
that
controls
the’
voltage
selector
can
only
be
used
in
areas
where
the
power
AM
(9kH2z/10kHz)
band
tuning
steps.
.
supply
is
the
same
as
that
of
the
unit.
Be
sure
to
set
this
switch
to
match
the
tuning
step
frequency
in
your
area.
U.S.A,
oo...
seccceseees
10kHz
Other
areas..........
9kHz
|
On]
cD
|
System
connections
220V
7
120V"\
220V
120V
at
AC120V
at
AC220V
Indoor
7-Shaped
FM
antenna
or
300
ohm
FM
Outdoor
Antenna
75
ohm
coaxial
cable
(3C-2V.
5C-2V)
AM
LOOP
Outdoor
ANTENNA
AM
antenna
Connect
only
one
FM
anternma
at
one
time.
General
75Q
Coaxial
Switch
the
main
power
switch
off
before
performing
connections.
jack
=
Also
be
sure
to
perform
left
and
right
channel
connections
properly.
Note
to
CATV
system
installer:
;
This
reminder
is
provided
to
call
the
CATV
system
installer’s
attention
to
Aricle
820-22
of
the
NEC
that
provides
guidelines
for
proper
grounding
and,
in
particular,
specifies
that
the
cable
ground
shall
be
connected
to
the
grounding
system
of
the
building,
as
close
to
the
point
of
cable
entry
as
practical.
Antenna
connection
for
TX-870
indoor
T-Shaped
FM
antenna
or
300
ohm
;
FM
Qutdoor
Antenna
,”
VIDEO
DISC
PLAYER
or
VIDEO
CASSETTE
VIDEO
CASSETTE
PLAYER
(VCR-1/VDP)
RECORDER
(VCR-2)
Monitor
TV
CATV
Line
Connect
only
one
75
ohm
FM
FM
antenna
at
one
300
ohm
FM
coaxial
cable
time
Outdoor
wna
;
Antenna
(3C-2V.
5C-2V)
Connect
only
one
FM
antenna
at
one
time.
Worldwide
models
only
Worldwide
models
Outdoor
AM
antenna
~
~s,
AMLOOP
~~s.
ANTENNA
~~
“esesenucen*
TAPE-2
J—
VCR-1/
VDP
——
VCR-2
a
AC
POWER
SUPPLY
fe
-]
Je
CORD
y
PLAY
Ground
connection
is
not
necessary
for
turntable
without
ground
lead
*
a
5
wo
SPEAKER
|
|
|/-@@
SPEAKER
.
IMPEDANCE
7
9
©
Oe
O
A
or
B:
4ohms
MIN
=
|
.
COMPACT
CASSETTE
CASSETTE
TAPE
;
:
A
and
B:
8ohms
MIN
TURNTABLE
DISC
TAPE
DECK
2
SPEAKER
(A
PLAYER
DECK
1
or
GRAPHIC
(A)
EQUALIZER
-——.
Le
a
poe
ee
tee
ee
ern

Other manuals for Onkyo TX-890

Related product manuals