EasyManua.ls Logo

Onkyo TX-RZ800

Onkyo TX-RZ800
141 pages
To Next Page IconTo Next Page
To Next Page IconTo Next Page
To Previous Page IconTo Previous Page
To Previous Page IconTo Previous Page
Loading...
Schematic Diagram
5 4 3
2
1
6
D
C
A
B
D
C
A
B
5 4 3
2
1
6
POWER AMP(Final Stage) SECTION
THER_ER
THER_BR
THER_CR
AGND _phaseR
THER_CSR
THER_ESR
AGND _phaseSR
THER_CC
THER_EC
THER_BC
AGND _phaseC
THER_CSBR
THER_ESBR
THER_BSBR
SIG_SBRH
SPSR
SPSR
SIG_CC
SIG_SBRC
THER_EL
SIG_SLH
THER_BSL
THER_ESL
AGND _phaseL
AGND _phaseSL
THER_CL
THER_CSBL
AGND _phaseSBL
THER_BSBL
THER_ESBL
SIG_SLC
SIG_SBLH
THER_CSL
SIG_SBLC
AGND _phaseSBR
SIG_CH
THER_BSR
SIG_SRC
SIG_SRH
SPC
SPC
SPSBR
SPSBR
-B1SBL
-B1SBL
-B1R-2
-B1SR
-B1SR
-B1SBR
-B1SBR
+B1SBR
+B1SBR
+B1SR
+B1SR
+B1L-2
+B1SL
+B1SL
-B1SL
-B1SL
+B1SBL
+B1SBL
+B1R
+B1R
-B1C
-B1C
+B1C
+B1C
-B1L-2
-B1R
-B1R
-B1L
+B1L
+B1R-2
SPSL
SPSL
SPSBL
SPSBL
SPL
SPL
SPR
SIG_RC
SIG_RH
SIG_LH
SIG_LC
THER_BL
VOLH
VOLH
VOLH
VOLH
VOLH
VOLH
VOLH
VOLH
VOLH
VOLH
VPRO
VPRO
VPRO
VPRO
VPRO
VPRO
VPRO
VPRO
VPRO
VPRO
IPRO
IPRO
IPRO
IPRO
IPRO
IPRO
IPRO
IPRO
IPRO
IPRO
IPRO_GND
IPRO_GND
IPRO_GND
IPRO_GND
IPRO_GND
IPRO_GND
IPRO_GND
IPRO_GND
IPRO_GND
IPRO_GND
C6114
473J
C6116
473J
C6112
473J
C6111
473J
C6102
224J
C6104
224J
C6106
224J
C6101
224J
P6096
NPLG-2P645
12
P6941B
NPLG-2P631
1 2
P6094
NPLG-2P645
12
P6091
NPLG-2P645
1
2
P6092
NPLG-2P645
12
P6031A
IMSA-9115B-09
1 2 3 4 5
6 7 8 9
P6034A
IMSA-9115B-09
1 2 3 4 5 6 7 8 9
P6032A
IMSA-9115B-09
1 2 3 4 5 6 7 8 9
P6036A
IMSA-9115B-09
1 2 3 4 5 6 7 8 9
P6052
IMSA-9201B-1-06Z388-PT1
1
2
3
4
5
6
P6054
IMSA-9201B-1-06Z388-PT1
1
2
3
4
5
6
P6051
IMSA-9201B-1-06Z388-PT1
1
2
3
4
5
6
P6056
IMSA-9201B-1-06Z388-PT1
1
2
3
4
5
6
P6066
IMSA-9201B-1-06Z388-PT1
1
2
3
4
5
6
P6062
IMSA-9201B-1-06Z388-PT1
1
2
3
4
5
6
P6061
IMSA-9201B-1-06Z388-PT1
1
2
3
4
5
6
P6064
IMSA-9201B-1-06Z388-PT1
1
2
3
4
5
6
D6002
DA2J10100
D6001
DA2J10100
D6004
DA2J10100
D6006
DA2J10100
R6486
2.2k
R6521
8.2
1W
R6481
2.2k
R6534
33k
R6484
2.2k
R6496
10k
R6494
10k
R6541
33k
R6492
10k
R6536
33k
R6544
33k
R6524
8.2
1W
R6542
33k
R6522
8.2
1W
R6491
10k
R6526
8.2
1W
R6546
33k
R6462
22k
R6532
33k
R6466
22k
R6531
33k
R6482
2.2k
R6404
0.22 2W
R6402
0.22 2W
R6406
0.22 2W
R6401
0.22 2W
Q6092
2SC2713-BL
Q6002
2SC2412K-R
Q6091
2SC2713-BL
Q6094
2SC2713-BL
Q6004
2SC2412K-R
Q6001
2SC2412K-R
Q6096
2SC2713-BL
Q6006
2SC2412K-R
P6600B
P6600D
P6600A
P6600C
P6071
IMSA-9201B-1-06Z388-PT1
1
2
3
4
5
6
P6081
IMSA-9201B-1-06Z388-PT1
1
2
3
4
5
6
R6421
22k
R6441
22k
D6011
DA2J10100
D6021
DA2J10100
R6501
270k
R6506
270k
D6016
DA2J10100
D6026
DA2J10100
R6504
270k
D6024
DA2J10100
D6014
DA2J10100
D6012
DA2J10100
D6022
DA2J10100
R6502
270k
P6942B
NPLG-5P133
1 2 3 4 5
R6403
0.22
2W
R6405
0.22 2W
R6400
0.22 2W
P6080
IMSA-9201B-1-06Z388-PT1
1
2
3
4
5
6
Q6000
2SC2412K-R
R6450
0.22
2W
Q6003
2SC2412K-R
R6440
22k
Q6005
2SC2412K-R
Q6093
2SC2713-BL
Q6095
2SC2713-BL
Q6090
2SC2713-BL
R6480
2.2k
P6600E
C6100
224J
P6600G
R6485
2.2k
P6600F
C6105
224J
R6475
22k
R6473
22k
D6010
DA2J10100
D6020
DA2J10100
D6015
DA2J10100
R6420
22k
D6025
DA2J10100
P6070
IMSA-9201B-1-06Z388-PT1
1
2
3
4
5
6
D6023
DA2J10100
D6013
DA2J10100
R6500
270k
R6505
270k
R6503
270k
D6003
DA2J10100
D6005
DA2J10100
D6000
DA2J10100
P6065 IMSA-9201B-1-06Z388-PT1
1
2
3
4
5
6
P6060
IMSA-9201B-1-06Z388-PT1
1
2
3
4
5
6
P6063 IMSA-9201B-1-06Z388-PT1
1
2
3
4
5
6
C6115
473J
P6053 IMSA-9201B-1-06Z388-PT1
1
2
3
4
5
6
C6110
473J
C6113
473J
C6103
224J
P6090
NPLG-2P645
12
P6093
NPLG-2P645
12
P6095
NPLG-2P645
1
2
P6035A
IMSA-9115B-09
123456789
P6030A
IMSA-9115B-09
123
4
56789
P6033A
IMSA-9115B-09
1
2
3456789
P6050
IMSA-9201B-1-06Z388-PT1
1
2
3
4
5
6
P6055 IMSA-9201B-1-06Z388-PT1
1
2
3
4
5
6
R6463
22k
R6525
8.2
1W
R6523
8.2
1W
R6465
22k
R6483
2.2k
R6520
8.2
1W
R6495
10k
R6493
10k
R6490
10k
R6545
33k
R6533
33k
R6543
33k
R6535
33k
R6530
33k
R6540
33k
R6451
0.22 2W
R6464
22k
R6474
22k
R6476
22k
R6472
22k
SC-0.8X5.5X18.5T
L6800
SC-0.8X5.5X18.5T
L6805
SC-0.8X5.5X18.5T
L6804
SC-0.8X5.5X18.5T
L6802
SC-0.8X5.5X18.5T
L6806
SC-0.8X5.5X18.5T
L6803
SC-0.8X5.5X18.5T
L6801
R6550
15k
R6560
15k
R6553
15k
R6563
15k
R6555
15k
R6565
15k
R6552
15k
R6562
15k
R6556
15k
R6566
15k
R6554
15k
R6564
15k
P6940B (BUS-5)
1
2
3
4
5
P6940A (BUS-5)
1
2
3
4
5
P6940C (BUS-5)
1
2
3
4
5
P6940D (BUS-5)
1
2
3
4
5
R6551
15k
R6561
15k
R6513
10 1/4W
R6515
10 1/4W
R6510
10 1/4W
R6516
10 1/4W
R6514
10 1/4W
R6511
10
1/4W
R6512
10 1/4W
R6601
120k
R6600
120k
R6603
120k
R6605
120k
R6602
120k
R6606
120k
R6604
120k
R6461
0
R6471
0
R6460
0
R6470
0
R6410
22k
R6430
22k
R6411
22k
R6431
22k
R6611
100
R6621
100
R6631
100
R6641
100
R6610
100
R6620
100
R6630
100
R6640
100
C
(Part-12)
R
SR
SBR
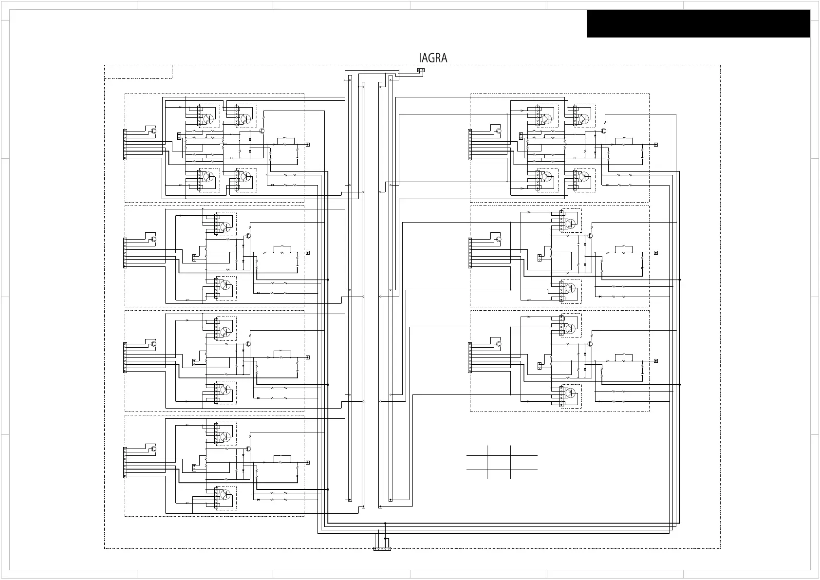
Model No. TX-RZ800/900,DTR-50.7/60.7 SCHEMATIC DIAGRAM (PART-5)
(Part-8) (Part-10)
POWER AMP(Final Stage) SECTION
(Part-7)
From BACLA-1788From BACLA-1791From BACLA-1789
BAAF-1785
(Part-4)
To BAAF-1785(Part-4)
To BAAF-1785(Part-4)To BAAF-1785(Part-4)
To BAAF-1785(Part-4)
ID+
ID-
ID+
ID-
ID+
ID-
ID+
ID-
#18
#18
#18
#18
BAAMP-1779
Q6051 TTC0001TTA0001Q6061
Q6054 TTC0001Q6052 TTC0001 Q6056 TTC0001 TTA0001Q6064TTA0001Q6062 TTA0001Q6066
To BAAF-1785
(Part-4)
Q6071
TTC0001TTA0001Q6081
From BACLA-1793
To BATAF-1785(Part-4)
To BAAF-1785(Part-4)
To BAAF-1785(Part-4)
ID+
TTC0001
TTA0001
ID-
ID+
ID-
ID+
ID-
#18
#18
#18
SBL
SL
L
Q6050
TTA0001
TTC0001Q6053Q6055
TTC0001 TTA0001
Q6063
Q6065 TTA0001
Q6060
Q6070
TTC0001
Q6080
From BACLA-1787
(Part-6)(Part9)
From BACLA-1790
(Part-11)
From BACLA-1792
+B1R-1
+B1L-1
-B1L-1
-B1R-1
-B1R-1
+B1R-1
C6100
C6101
T8,D5
T9,D6
224J
224J
474J
474J

Other manuals for Onkyo TX-RZ800

Related product manuals