EasyManua.ls Logo

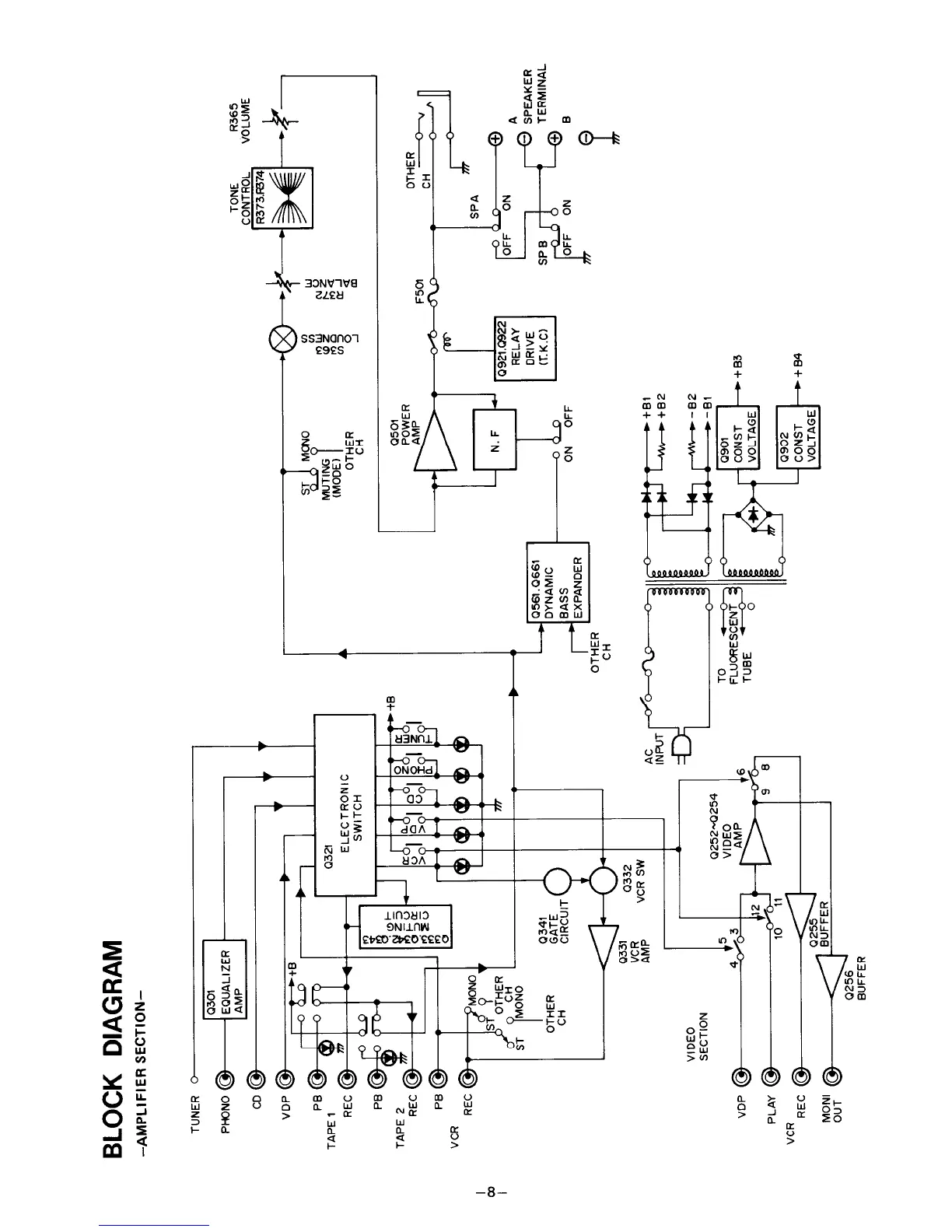
Onkyo TX28 - Amplifier Section Block Diagram

Onkyo TX28
28 pages
Print Icon
To Next Page IconTo Next Page
To Next Page IconTo Next Page
To Previous Page IconTo Previous Page
To Previous Page IconTo Previous Page
Loading...

Related product manuals