EasyManua.ls Logo

Optical Systems Design OSD136 - Operation; Block Diagram

Default Icon
16 pages
Print Icon
To Next Page IconTo Next Page
To Next Page IconTo Next Page
To Previous Page IconTo Previous Page
To Previous Page IconTo Previous Page
Loading...
OPTICAL SYSTEMS DESIGN
DOC ID: 10100110
OSD136 OPERATOR MANUAL
Page 13 of 16
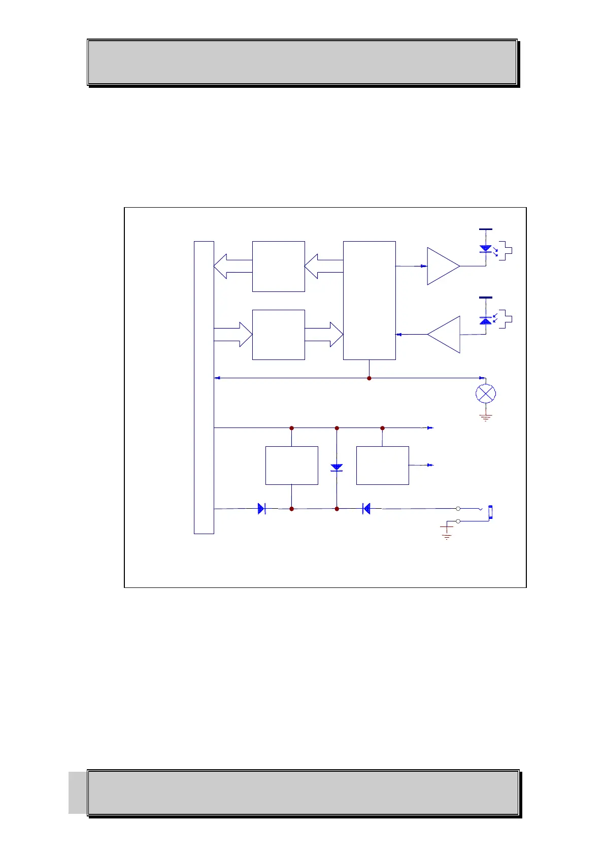
2.3 OPERATION
2.3.1 BLOCK DIAGRAM
FIGURE 8 below is a simple block diagram of the OSD136.
FIGURE 8: BLOCK DIAGRAM
D
CONNECTOR
+9 TO +12 V
QUALITY
SIGNAL
DTR
RTS
TX CLOCK
TX DATA
DSR
CTS
RX CLOCK
RX DATA
INPUT
EXTERNAL POWER
+9 TO
+12V
+5V
INDICATOR
BIT
ERROR
DIODE
PHOTO
LED
DEMUX
MUX/
RECEIVER
LINE
RS232
DRIVER
LINE
RS232
+5V
-5V
-5V
DC/DC
CONVERTOR
+5V
REGULATOR