EasyManua.ls Logo

OptiPure OP175 - Typical Installation with Atmospheric Tank; System Plumbing Connections; Tank and Bypass Valve Setup; Power and Final Notes

OptiPure OP175
16 pages
Print Icon
To Next Page IconTo Next Page
To Next Page IconTo Next Page
To Previous Page IconTo Previous Page
To Previous Page IconTo Previous Page
Loading...
OP175 System Installation, Operation & Maintenance 5
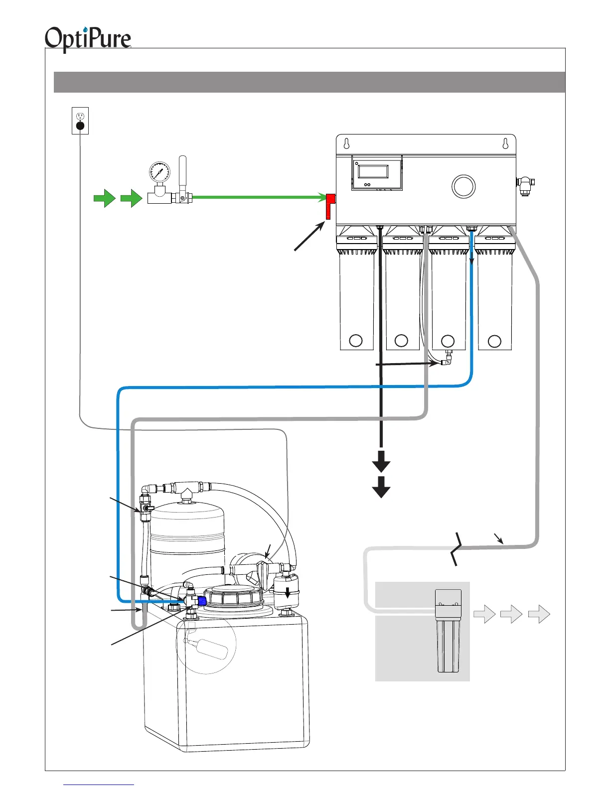
Typical Installation with Atmospheric Tank
Important: Plumbing should be performed by a qualied plumber in accordance with local codes.
Feed Water Line -
Green - from Water Supply
Valve to Feed Water Inlet
Feed
Water
Optimized
(Treated)
Water to
Equipment
Feed Water Inlet
Connection
(behind valve)
Optimized Water Line - Blue
- from Optimized Water Outlet to Tank Inlet
Drain Line - Black -
from Reject Outlet to Drain
Reject
Water
(to Drain)
User-Supplied
Water Supply
Valve &
Pressure Gauge
Reject
Water
Outlet
Optimized
Water Outlet
to Equipmt
Optional
Carbon
Post-
Treatment
Repressurization
Assembly
Air
Breather
Power
120VAC, 2A
Optimized Water Line - 1/2" Gray Hose
with hose barb insert - Make connection to
distribution and (optional) post-treatment.
CTO-Q
Pre-Filter
CTO-Q
Pre-Filter
Emergency
Bypass Valve
Operating
Pressure
Gauge
Membrane Reject Water
Tubing Connection
AMS-QT15
Membrane Cartridge
Water Quality
Monitor
Optimized
Water to
Storage Tank Inlet
(on Valve)
Repressurization
Assembly Outlet
(Hose Barb)
Repressur-
ization Pump
120VAC
Buffer Tank
Buffer Tank Valve
(Normally Open,
shown closed)
Tank Inlet
Divert Valve
(Valve handle
normally in Down
position. Turn to
Up position to
divert Optimized
water to the
sample port.)
1
3
2
Processor
Tank Full
Shutoff Valve
(inside tank)
Optimized Water
Storage Tank
- 16 gal. Atmospheric
Tank
Repressurizaton
Return
Optimized
Water To
Storage Tank
Sample
Port
Mineral Addition
Cartridge
4
Pressurized Water Line - 1/2" Gray Hose with hose barb inserts at
both ends - from Repressurization Assy Outlet to Pressurized Water Inlet.
IMPORTANT - THE SYTEM MUST BE IN-
STALLED INDOORS. DO NOT INSTALL IN
DIRECT SUNLIGHT OR WHERE EXPOSED TO
FREEZING TEMPERATURES OR RAIN. IDEAL-
LY USE NON-METAL PIPING FOR OPTIMIZED
WATER CONDUIT.
When installing keep lines from the
Repressurization Assembly to the
equipment as short as possible to
minimize pressure loss.
Bypass

Related product manuals