EasyManua.ls Logo

PAC Stinger HEIGH10 - Page 2

PAC Stinger HEIGH10
38 pages
Print Icon
To Next Page IconTo Next Page
To Next Page IconTo Next Page
To Previous Page IconTo Previous Page
To Previous Page IconTo Previous Page
Loading...
Stinger HEIGH10
®
Radio Replacement Kit
2015-2021 Chrysler 300
2015-2021 Dodge Challenger / Charger
SRK-CHR15H
© 2022 AAMP Global. All rights reserved. PAC is a Power Brand of AAMP Global.
PAC-Audio.com
Pacific Accessory Corporation
Page 2
Rev: V3
Date: 032222
®
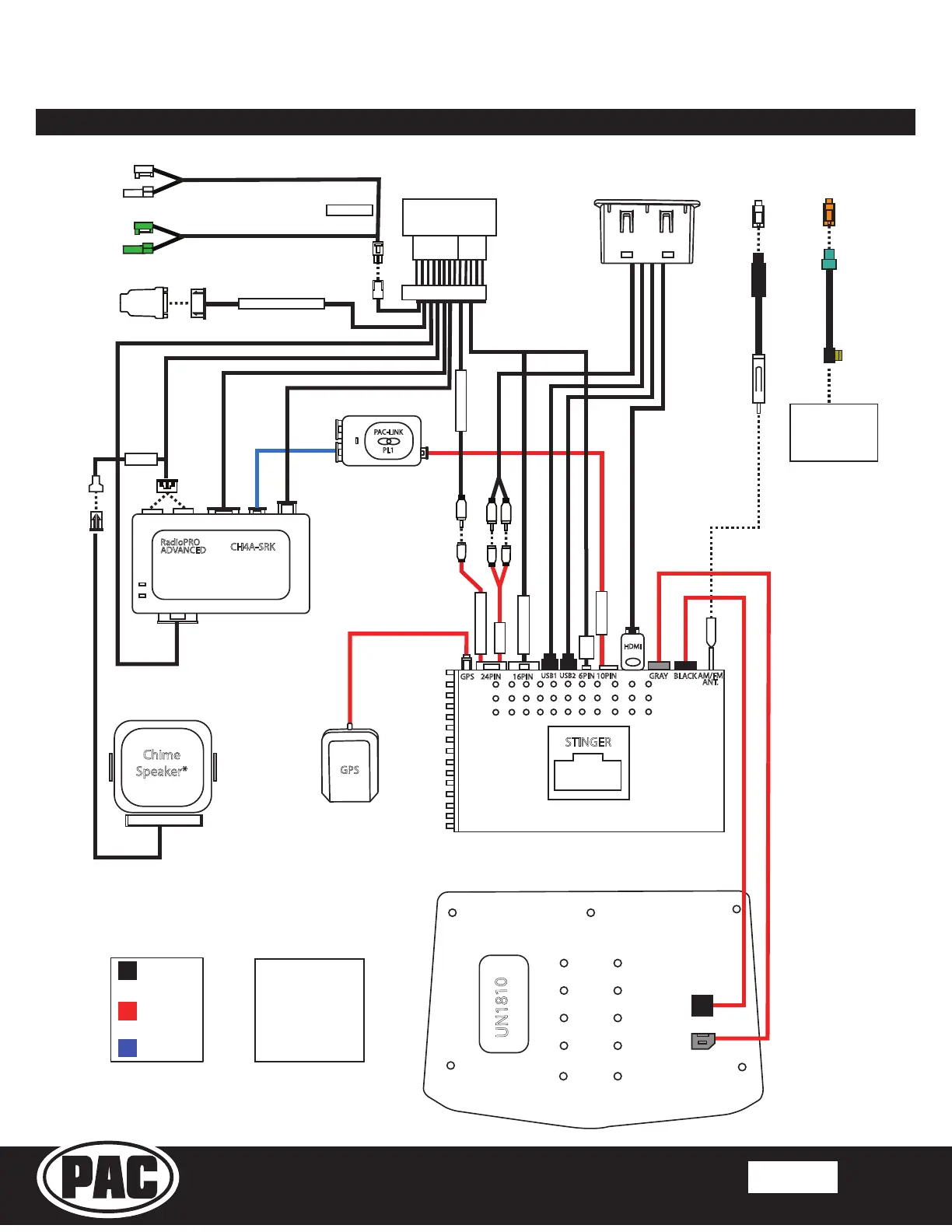
Wiring Diagram Overview
Chime
Speaker*
GPS
UN1810
PAC-LINK
PL1
CH4A-SRK
RadioPRO
ADVANCED
HDMI
USB1
USB2
STINGER
BLACK
GRAY
10PIN6PIN
24PIN 16PINGPS
AM/FM
ANT.
SRK-CHR16-HAR
16PIN RADIO
PAC
Connection
Stinger
Connection
Main Harness
Connection
Connections shown are
all required for full
functionality of the kit
and radio. If adding
additional components,
additional connections
will be needed.
CHIME
Connects to
SXV300 Satellite
Radio Tuner
(sold separately)
*Only required in vehicles
with Safety Group features
SWI
PAC LINK
REVERSE CAM
REVERSE CAM
A/V IN
CAN BUS
RPA-VA1
REVERSE CAM VA1

Related product manuals