EasyManua.ls Logo

Pahlen MidiHeat EHA - Page 13

Pahlen MidiHeat EHA
Print Icon
To Next Page IconTo Next Page
To Next Page IconTo Next Page
To Previous Page IconTo Previous Page
To Previous Page IconTo Previous Page
Loading...
13
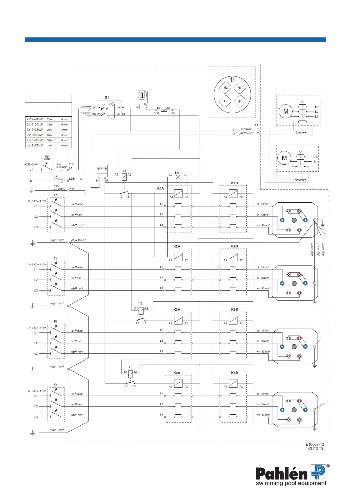
MidiHeat EHA
MA45-32E
ENGLISH
380–415V 3~380–415V 3N~
Thermostat
Flowswitch
Locationdrawing
Tank
Externalcontactor
1-phase
Externalcontactor
3-phases
Over-
heating
limit
control
H1 Heating element
H2Heating element
H3 Heating element
H4 Heating element
**=Potentialfreeoatingcontact
*=fusesandpowercable
Effect Fuse
F1-4
(A)
Min.
cable
area
White Pink
Blue
White Pink
Blue
White Pink
Blue
White Pink
Blue
White Pink
Blue
WHite Pink
Blue
White Pink
Blue
White Pink
Blue

Related product manuals