EasyManua.ls Logo

Pahlen MidiHeat EHA - Page 26

Pahlen MidiHeat EHA
Print Icon
To Next Page IconTo Next Page
To Next Page IconTo Next Page
To Previous Page IconTo Previous Page
To Previous Page IconTo Previous Page
Loading...
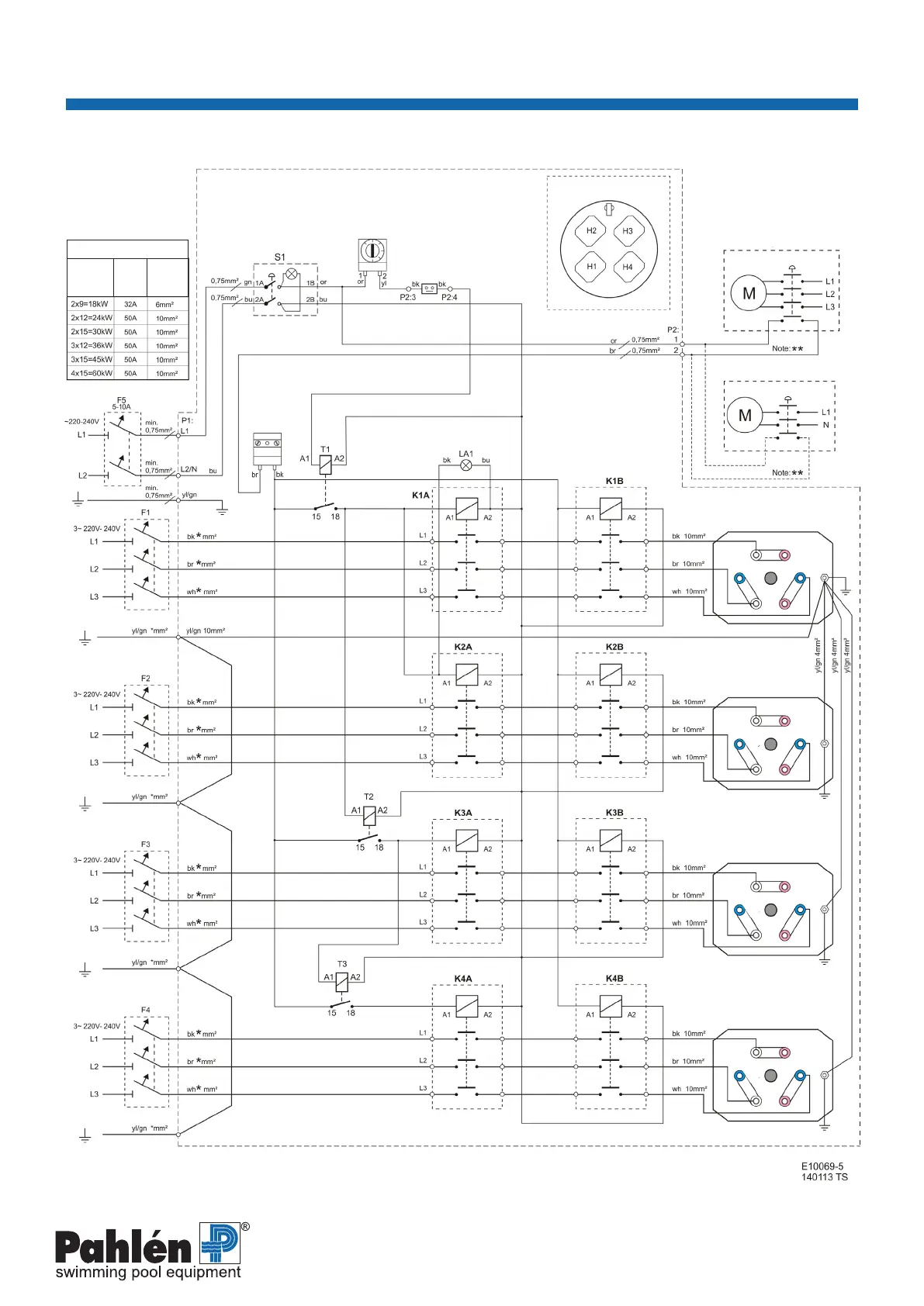
MidiHeat EHA
MA45-32A












H2
H3
H4
**


































Related product manuals