EasyManua.ls Logo

Pahlen MidiHeat EHA - Page 8

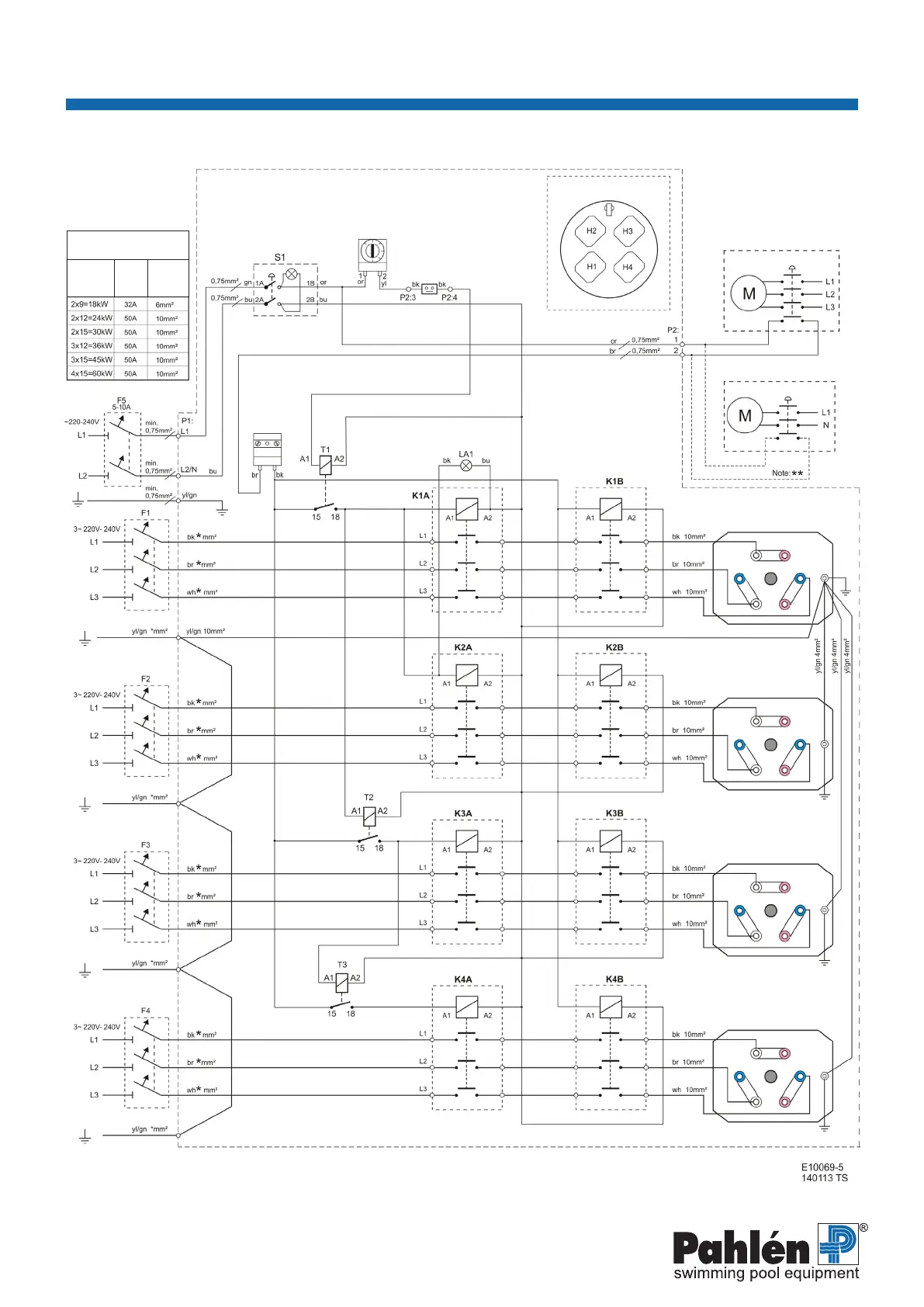
Pahlen MidiHeat EHA
Print Icon
To Next Page IconTo Next Page
To Next Page IconTo Next Page
To Previous Page IconTo Previous Page
To Previous Page IconTo Previous Page
Loading...
8
MidiHeat EHA
MA45-32S
SVENSKA
220–240V 3N~
*=säkringaroch
matningskablage
Effekt Fuse
F1-4
(A)
Min.
kabel-
area
Termostat
Flödesvakt
Översiktsritning
Tank
Utvändigt motorskydd
1-fas
Utvändigt motorskydd
3-fas
Över-
hettnings-
skydd
H1(elpatron)
H2(elpatron)
H3(elpatron)
H4(elpatron)
**=Potentialfrikontakt
Blå
Vit
Blå
Rosa
Rosa
Vit
Blå
Vit
Blå
Rosa
Rosa
Vit
Blå
Vit
Blå
Rosa
Rosa
Vit
Blå
Vit
Blå
Rosa
Rosa
Vit

Related product manuals