EasyManua.ls Logo

Panasonic AW-PH360N - Page 33

Panasonic AW-PH360N
52 pages
Print Icon
To Next Page IconTo Next Page
To Next Page IconTo Next Page
To Previous Page IconTo Previous Page
To Previous Page IconTo Previous Page
Loading...
- 33 -
Connections
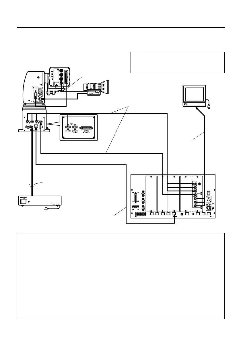
7When the camera and pan/tilt head are to be controlled by the AW-RP605A
multi-function controller for transmitting composite or component signals
• Use the supplied camera cable to connect the unit with the convertible camera.
• Set controller selection switch SW1 to the left side (RP605), and select the transmission signal
selection setting that supports the analog/IEEE1394 card.
• Use a 10BASE-T straight cable (UTP category 5) to connect the unit’s CONTROL IN IP/RP
connector with the controller’s CONTROL OUT TO PAN/TILT HEAD connector.
• Use a coaxial cable (BELDEN 8281) to connect the unit’s VIDEO OUT connector with the
controller’s VIDEO/Y IN connector (when composite signals are to be transmitted).
• Use a coaxial cable (BELDEN 8281) to connect the unit’s Y OUT connector, Pr/SDI OUT
connector and Pb OUT connector with the controller’s VIDEO/Y IN connector, Pr IN connector
and Pb IN connector (when component signals are to be transmitted).
• Use a coaxial cable to connect the controller’s VIDEO/Y OUT connector, Pr OUT connector and
Pb OUT connector with the color monitor’s VIDEO input connector or component input
connectors.
• Check that the pan/tilt head and camera can be controlled by the controller.
Multi-function controller:
AW-RP605A
AC adapter:
AW-PS300A
Color monitor
Camera cable
(supplied)
Coaxial cable
(BELDEN 8281), max.
3333 ft. (1000 m
)
10BASE-T (equivalent to
UTP category 5) straight
cable, max. 3333 ft. (1000 m)
Coaxial cable
Genlock signals must be supplied if
a multiple number of cameras and
pan/tilt heads are to be used.
DC cable
(UL Type SPT-2 2!16 AWG or
UL Type NISPT-2 2!16 AWG,
to be locally purchased)

Related product manuals