EasyManua.ls Logo

Panasonic AW-PH360N - Page 40

Panasonic AW-PH360N
52 pages
Print Icon
To Next Page IconTo Next Page
To Next Page IconTo Next Page
To Previous Page IconTo Previous Page
To Previous Page IconTo Previous Page
Loading...
- 40 -
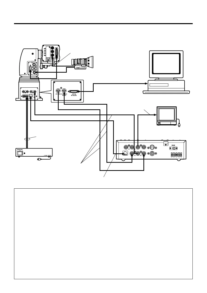
Connections
>When the camera and pan/tilt head are to be controlled by both the AW-RP501
controller and a personal computer
• Use the supplied camera cable to connect the unit with the convertible camera.
• Set controller selection switch SW1 to the right side (RP501), and select the transmission signal
selection setting that supports the analog/IEEE1394 card.
• Follow connection example 1 to connect the unit and AW-RP501 controller. However, when
using a personal computer or other such unit to control the camera, leave the unit’s CAMERA
CONTROL IN connector unconnected.
• Use the RS-232C cable (AW-CA28T9) to connect the personal computer or other such unit with
the unit’s CONTROL IN RS-232C connector.
Check that the pan/tilt head and camera can be controlled using the controller and personal computer
or other such unit. However, the camera can be controlled solely by the controller if the unit’s CAMERA
CONTROL IN connector and controller’s CAMERA CONTROL OUT connector are connected and
solely by the personal computer or other such unit if these two connectors are not connected.
When SDI signals are to be transmitted, plug the SDI card (such as the AW-PB504N) into the
convertible camera, connect the SDI card’s SDI OUT connector with the unit’s SDI IN connector
using a coaxial cable, and select the transmission signal selection setting that supports the SDI
card. Then use another coaxial cable to connect the unit’s Pr/SDI OUT connector with the color
monitor’s SDI input connector.
Hybrid control panel:
AW-RP501
AC adapter:
AW-PS300A
Color monitor
Camera cable
(supplied)
10BASE-T (equivalent to UTP category 5)
straight cable, max. 1640 ft. (500 m)
Coaxial cable
(BELDEN 8281), max.
1640 ft. (500 m
)
Coaxial cable
Personal computer
(Windows)
RS-232C cable: AW-CA28T9
• The BNC connectors are not
connected to the pan/tilt head.
• When using RS-232C for
control, the maximum length
of the RS-232C cable is
50 ft. (15 m). To further extend
the cable length, convert
RS-232C to RS-422 and
convert it back to RS-232C at
the pan/tilt head side.
DC cable
(UL Type SPT-2 2!16 AWG or
UL Type NISPT-2 2!16 AWG,
to be locally purchased)

Related product manuals