EasyManua.ls Logo

Panasonic CQ-C5405U

Panasonic CQ-C5405U
47 pages
To Next Page IconTo Next Page
To Next Page IconTo Next Page
To Previous Page IconTo Previous Page
To Previous Page IconTo Previous Page
Loading...
46
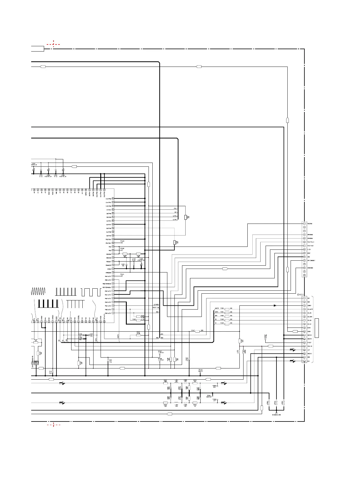
11.8. CD Servo Block (Right Side)
4-49
CQ-C5405U/C5305U CD SERVO
(CN103)
To MAIN 7229-02-11 CN801
IC101
YESAM383
D103 YESAD177
IV, 50ns / DIV
2V / DIV, 0.1s / DIV
2V / DIV, 50ms / DIV
2V / DIV, 50ms / DIV
2V / DIV, 1ms / DIV
0
3.2
2.1
0
0
0
0
0
0
0
0
1.2
0
1.5
1.5
3.2
3.2
0
3.2
0
0
0
0
0
0
0
3.2
3.2
0
0
0
0
1.5
2.1
3.2
3.2
3.2
3.2
2.8
0
0.7
0
3.2
0
0
1.6
1.5
0
0
0
0
0
8V
8V8V
3.3V
3.3V
3.3V
3.3V
3.3V
3.3V3.3V3.3V
3.3V
8V 8V
3.3V
3.3V
3.3V
L
R
L
R
L
R

Related product manuals