EasyManua.ls Logo

Panasonic CQ-DF783U

Panasonic CQ-DF783U
108 pages
To Next Page IconTo Next Page
To Next Page IconTo Next Page
To Previous Page IconTo Previous Page
To Previous Page IconTo Previous Page
Loading...
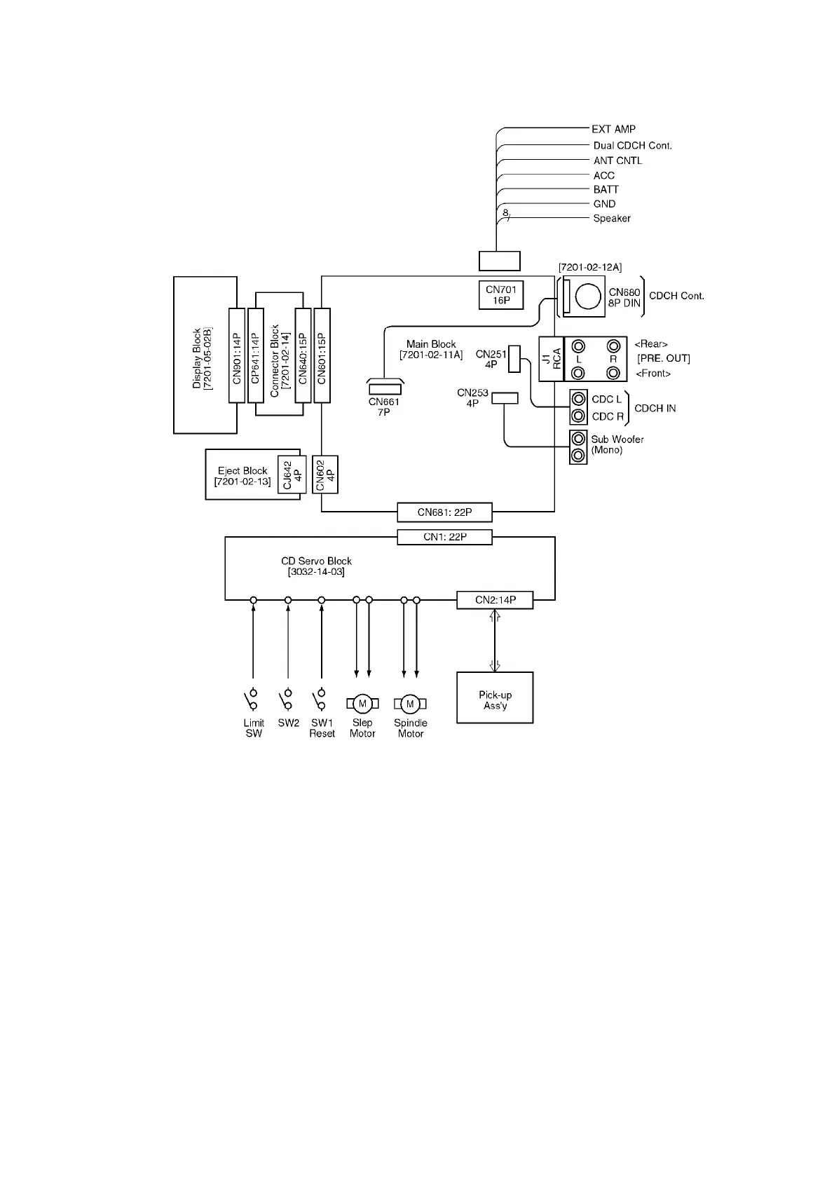
8. TERMINALS DESCRIPTION
8.1. Main Block
IC601 : YESAM174(CQ-DF783U), YESAM169(CQ-DFX403U)
6

Other manuals for Panasonic CQ-DF783U

Related product manuals