EasyManua.ls Logo

Panasonic CS-A7GKD - CS-A12 GK Wiring Diagram

Panasonic CS-A7GKD
81 pages
Print Icon
To Next Page IconTo Next Page
To Next Page IconTo Next Page
To Previous Page IconTo Previous Page
To Previous Page IconTo Previous Page
Loading...
18
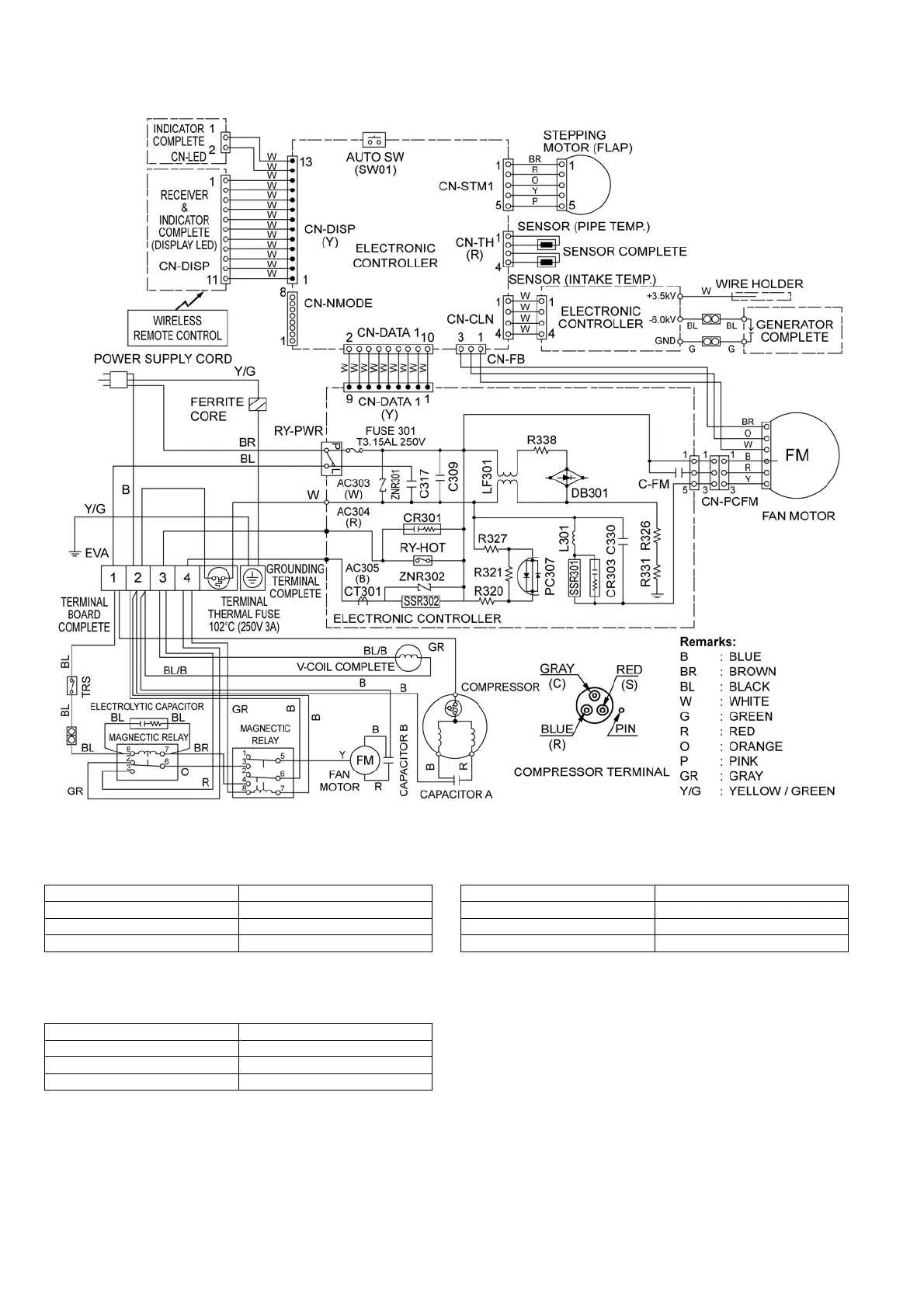
8.2. CS-A12GK CU-A12GK
Resistance of Indoor Fan Motor Windings
Note: Resistance at 25°C of ambient temperature.
Resistance of Outdoor Fan Motor Windings
Note: Resistance at 25°C of ambient temperature.
Resistance of Compressor Windings
Note: Resistance at 20°C of ambient temperature.
MODEL CS-A12GK
CONNECTION CWA921373
BLUE-YELLOW 390.0 Ω
YELLOW-RED 394.0 Ω
MODEL CU-A12GK
CONNECTION CWA951117J
BLUE-YELLOW 230 Ω
YELLOW-RED 255 Ω
MODEL CU-A12GK
CONNECTION 2KS206D5AF04
C - R 2.234 Ω
C - S 2.630 Ω

Related product manuals