EasyManua.ls Logo

Panasonic CS-C18GKD - Cs-C24 Gk Cu-C24 Gk

Panasonic CS-C18GKD
58 pages
Print Icon
To Next Page IconTo Next Page
To Next Page IconTo Next Page
To Previous Page IconTo Previous Page
To Previous Page IconTo Previous Page
Loading...
16
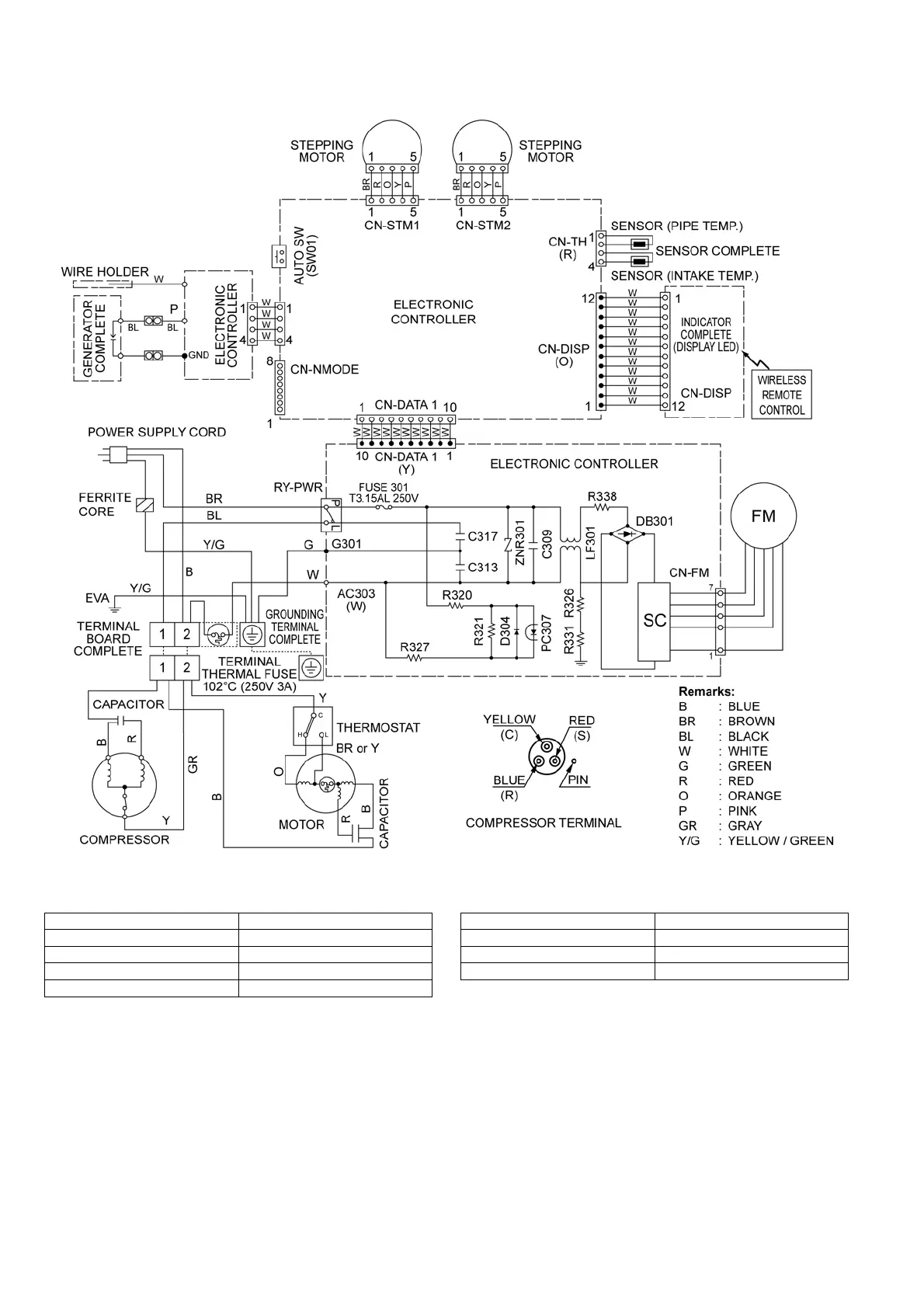
8.2. CS-C24GK CU-C24GK
Resistance of Outdoor Fan Motor Windings
Note: Resistance at 25°C of ambient temperature.
Resistance of Compressor Windings
Note: Resistance at 20°C of ambient temperature.
MODEL CU-C24GK
CONNECTION CWA951352J
BLUE-YELLOW 99.6 Ω
YELLOW-RED 126.8 Ω
YELLOW-ORANGE 158.7 Ω
MODEL CU-C24GK
CONNECTION 2JS438D3GA02
C - R 0.830 Ω
C - S 2.257 Ω

Related product manuals