EasyManua.ls Logo

Panasonic CS/CU-RE12GKE

Panasonic CS/CU-RE12GKE
17 pages
To Next Page IconTo Next Page
To Next Page IconTo Next Page
To Previous Page IconTo Previous Page
To Previous Page IconTo Previous Page
Loading...
13
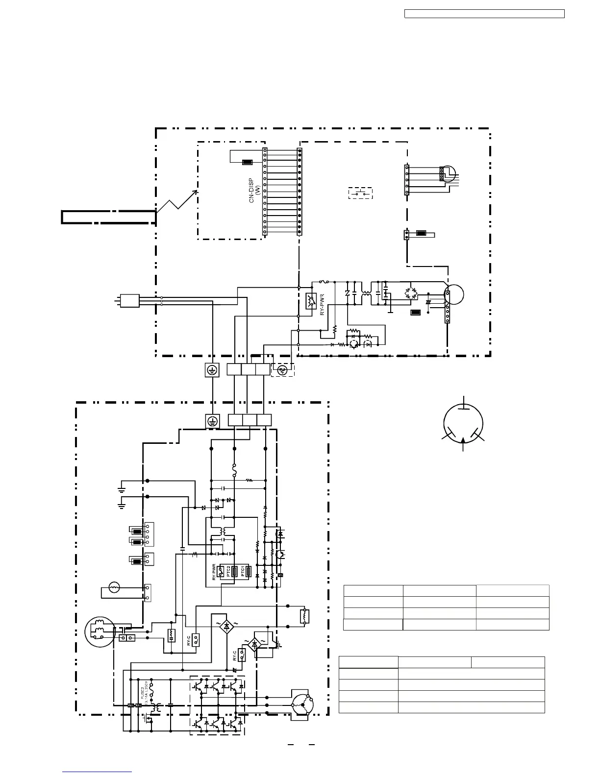
6WiringDiagram
(RED)
(BLUE)
(YELLOW)
GRY1
(GRAY)
GRY2
(GRAY)
GRY
GRY
DB101
DB102
+
-
+
-
+
+
T20AL250V
AC-WHT
(WHITE)
AC-BLK
(BLACK)
DATA
(RED)
BLWR
CT101
FGI(GREEN)
FG2(GREEN)
G
G
CN-TH
(WHITE)
CN-TANK
(WHITE)
3
4
1
3
FanMotor
Y
Y
CN-HOT
(WHITE)
N
P
++
REACTOR
OUTDOORUNIT
POWERSUPPLYCORD
BR
AC2
AC1
AC3
BL
AC4
R
B
FUSE
T2.5AL250V
AUTOSW
CN-DISP
(Y)
CN-STM
(W)
CN-TH
(Y)
CN-FM
(W)
R
BL
W
B
Y
FM
ZNR
SENSOR
(AIRTEMPERATURE.)
ELECTRONIC
CONTROLLER
(DISPLAY,RECEIVER)
SENSOR
(PIPINGTEMP.)
BR
R
O
Y
P
MOTOR
1
5
MOTOR
1
4
15
ELECTRONIC
CONTROLLER
(MAIN)
1L()2N() 3
WIRELESSREMOTECONTROL
1L()2N() 3
W
U-V
B092256
U-W
V-W
1.152
1.152
1.152
TERMINAL
FUSE
1
2
SENSOR
(PIPINGTEMP)
SENSOR
(AIRTEMP)
SENSOR
(COMP.TEMP)
COILCOMP
(4-WAYVAVLE)
R
B
Y
COMPRESSOR
Y/G
Y
Y
B
B
CAPACITORFm2
Fm1
TERMINAL
Y/G
COMPRESSORTERMINAL
YELLOW
RED
BLUE
TRADEMARK
INDOORUNIT
W
W
W
W
W
W
W
W
W
W
W
W
W
W
W
15
COMPRESSORRESISTANCE()Ω
CONNECTING
CU-RE9GKECU-RE12GKE
1
1
1
1
CS/CU-RE9GKE
CS/CU-RE12GKE
L6LAHYF00001
423Ω
686Ω
CU-RE9GKECU-RE12GKE
CONNECTING
Y-BM
()
Y-RA()
OUTDOORFANMOTORRESISTANCE()Ω
L6LAHYF00001
423Ω
686Ω
CS-RE9GKE/CU-RE9GKE/CS-RE12GKE/CU-RE12GKE

Related product manuals