EasyManua.ls Logo

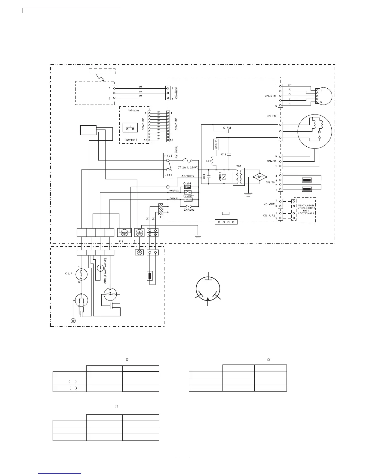
Panasonic CS/CU-YW12DKE - Wiring Diagram

Panasonic CS/CU-YW12DKE
65 pages
To Next Page IconTo Next Page
To Next Page IconTo Next Page
To Previous Page IconTo Previous Page
To Previous Page IconTo Previous Page
Loading...
C-R
C-S
INDOOR FAN MOTOR RESISTANCE( )
CONNECTING
Y-B M
Y-R A
CS-YW9DKE CS-YW12DKE
CWA921329 CWA921329
395
325
275
260
Y-B
Y-R
CWA951419 CWA951419
COMPRESSOR TERMINAL
Signal Receiver
Remote Control
CN-RCV
BR
BL
W
R
B
B
Y/G
INDOOR UNIT
TERMINAL BOARD
FUSE
102 250V 3A
YW
B
B
B
Y
Y
R
Y/G
CAPACITOR
CAPACITOR
R
COMPRESSOR
FAN MOTOR
SENSOR(PIPING TEMP.)
Y/G
FUSE
ELECTRONIC CONTROLLER
1
3
5
B
R
Y
FAN MOTOR
W
BR
BL
SENSOR(PIPING TEMP.)
SENSOR(INTAKE TEMP.)
INDOOR UNIT
POWER SUPPLY
CORD
POWER SUPPLY
CORD
AC 230 50Hz
AC 230 50Hz
STEPPING
MOTOR
OUTDOOR UNIT
TERMINAL BOARD
1(L) 2(N) 3 4
1(L) 2(N) 3 4
OUTDOOR UNIT
OUTDOOR FAN MOTOR RESISTANCE( )
CONNECTING
COMPRESSOR RESISTANCE( )
CONNECTING
CWB092240
3.863
3.309
CU-YW9DKE CU-YW12DKE
CS-YW9DKE/CU-YW9DKE
7 Wiring Diagram
R : RED
BL : BLACK
B : BLUE
BR : BROWN
O : ORANGE
GRY : GREY
G : GREEN
Y : YELLOW
W : WHITE
Y/G : YELLOW/GREEN
P : PINK
CWB092313
YELLOW
RED
S
BLUE
R
C
TRADE MARK
AUTO SWITCH
390
390
2.798
5.432
275
260
14
1234
HA
CS-YW12DKE/CU-YW12DKE
CS-YW9DKE / CU-YW9DKE / CS-YW12DKE / CU-YW12DKE
CS-YW9DKE CS-YW12DKE

Related product manuals