EasyManua.ls Logo

Panasonic CS-E12NKDW - Wiring Connection Diagrams; Indoor Unit Wiring Diagram

Panasonic CS-E12NKDW
145 pages
Print Icon
To Next Page IconTo Next Page
To Next Page IconTo Next Page
To Previous Page IconTo Previous Page
To Previous Page IconTo Previous Page
Loading...
28
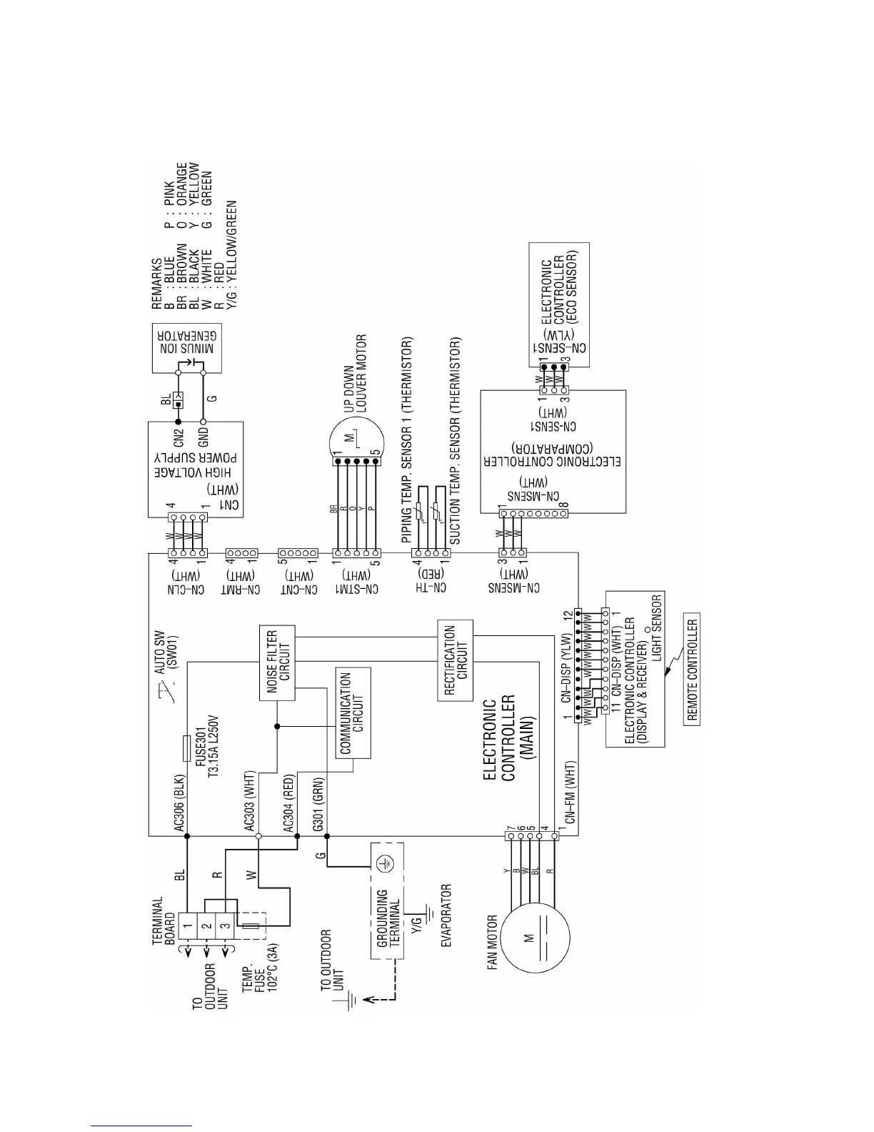
8. Wiring Connection Diagram
8.1 Indoor Unit
8.1.1 CS-E7NKDW CS-E9NKDW CS-E12NKDW CS-E15NKDW

Table of Contents

Related product manuals