EasyManua.ls Logo

Panasonic CS-E15DTEW - 7 Wiring Diagram

Panasonic CS-E15DTEW
90 pages
Print Icon
To Next Page IconTo Next Page
To Next Page IconTo Next Page
To Previous Page IconTo Previous Page
To Previous Page IconTo Previous Page
Loading...
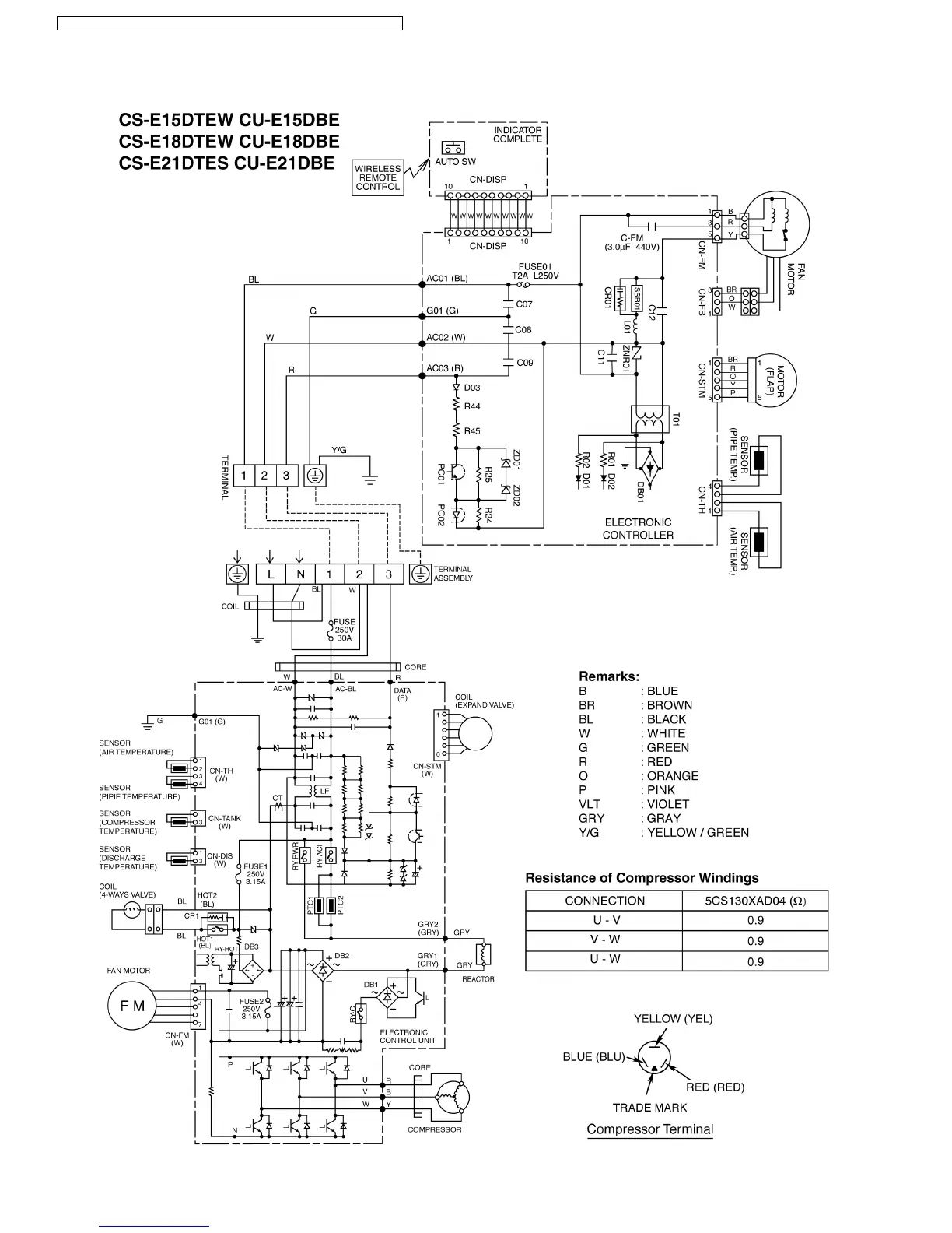
7 Wiring Diagram
16
CS-E15DTEW CU-E15DBE / CS-E18DTEW CU-E18DBE / CS-E21DTES CU-E21DBE

Table of Contents

Other manuals for Panasonic CS-E15DTEW

Related product manuals