EasyManua.ls Logo

Panasonic CS-E15PKR - Page 51

Panasonic CS-E15PKR
205 pages
Print Icon
To Next Page IconTo Next Page
To Next Page IconTo Next Page
To Previous Page IconTo Previous Page
To Previous Page IconTo Previous Page
Loading...
51
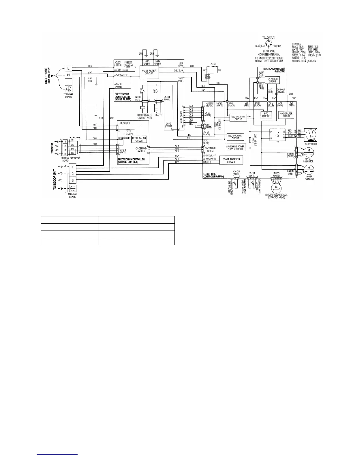
8.2.5 CU-E28PKR
Resistance of Compressor Windings
CONNECTION 5KD240XAF21 ()
U-V 0.720
U-W 0.726
V-W 0.708

Table of Contents

Other manuals for Panasonic CS-E15PKR

Related product manuals