EasyManua.ls Logo

Panasonic CS-E18DD3EW - 8 Wiring Diagram; Wall Type

Panasonic CS-E18DD3EW
200 pages
Print Icon
To Next Page IconTo Next Page
To Next Page IconTo Next Page
To Previous Page IconTo Previous Page
To Previous Page IconTo Previous Page
Loading...
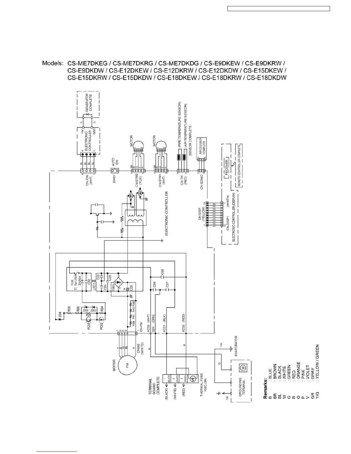
8 Wiring Diagram
8.1. Wall Type
33
CS-ME7DKEG CS-ME10DD3 EG / CS-ME10DTEG CS-E15DB4EW

Table of Contents

Other manuals for Panasonic CS-E18DD3EW

Related product manuals