EasyManua.ls Logo

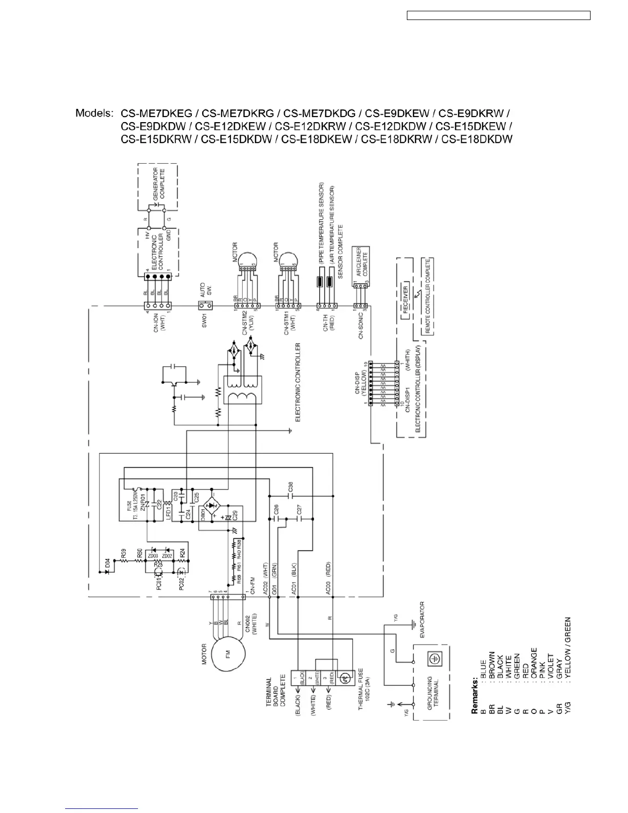
Panasonic CS-E18DKRW - 8 Wiring Diagram; 8.1. Wall Type Wiring Diagram

Panasonic CS-E18DKRW
200 pages
Print Icon
To Next Page IconTo Next Page
To Next Page IconTo Next Page
To Previous Page IconTo Previous Page
To Previous Page IconTo Previous Page
Loading...
8 Wiring Diagram
8.1. Wall Type
33
CS-ME7DKEG CS-ME10DD3 EG / CS-ME10DTEG CS-E15DB4EW

Table of Contents

Related product manuals