EasyManua.ls Logo

Panasonic CS-E18DKRW - 8.3. Ceiling Floor Type Wiring Diagram

Panasonic CS-E18DKRW
200 pages
Print Icon
To Next Page IconTo Next Page
To Next Page IconTo Next Page
To Previous Page IconTo Previous Page
To Previous Page IconTo Previous Page
Loading...
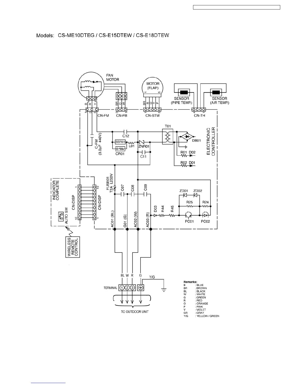
8.3. Ceiling Floor Type
35
CS-ME7DKEG CS-ME10DD3 EG / CS-ME10DTEG CS-E15DB4EW

Table of Contents

Related product manuals