EasyManua.ls Logo

Panasonic CS-E21EKU - 6 Block Diagram

Panasonic CS-E21EKU
33 pages
Print Icon
To Next Page IconTo Next Page
To Next Page IconTo Next Page
To Previous Page IconTo Previous Page
To Previous Page IconTo Previous Page
Loading...
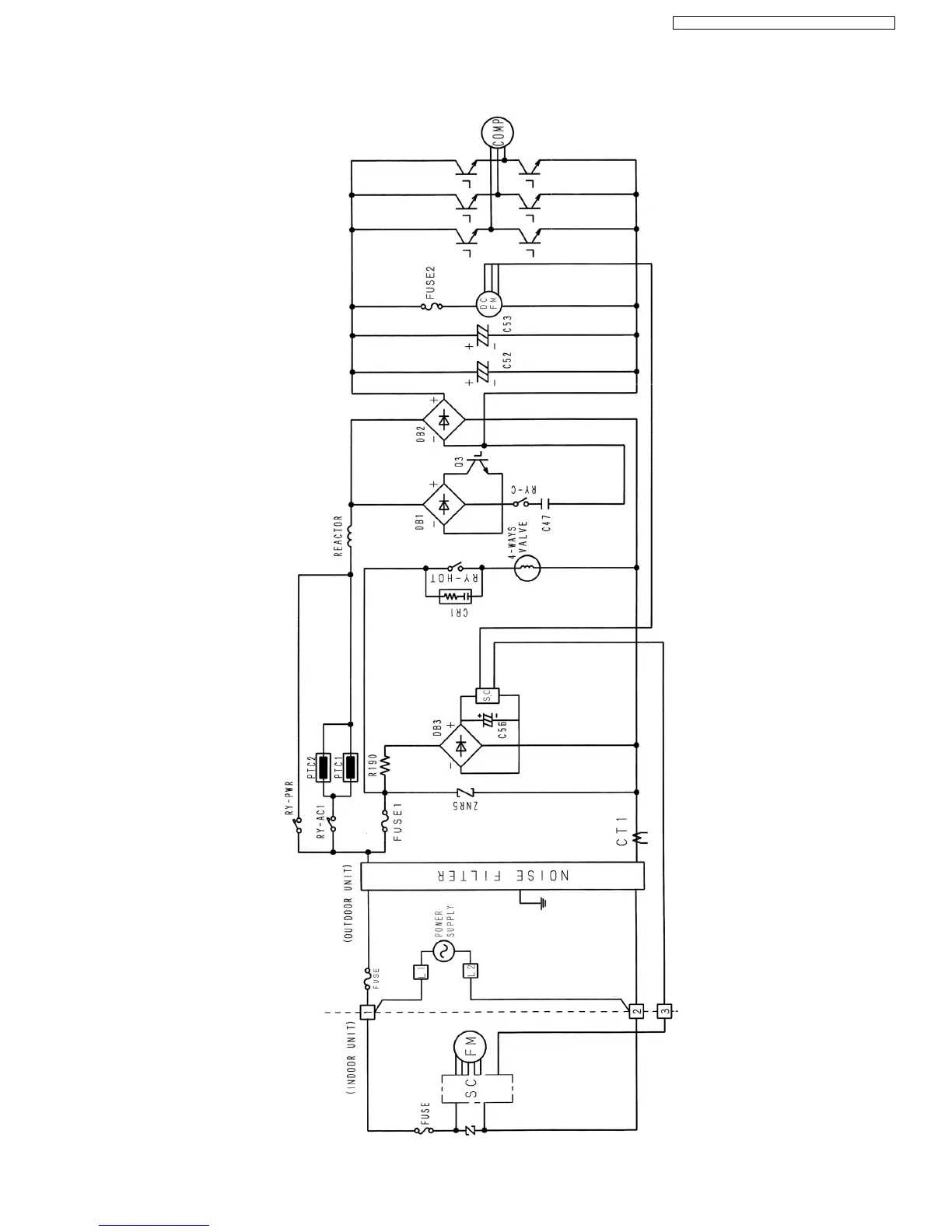
6 Block Diagram
13
CS-E18EKU CU-E18EKU / CS-E21EKU CU-E21EKU

Related product manuals