EasyManua.ls Logo

Panasonic CS-MC90KE - Page 20

Panasonic CS-MC90KE
56 pages
Print Icon
To Next Page IconTo Next Page
To Next Page IconTo Next Page
To Previous Page IconTo Previous Page
To Previous Page IconTo Previous Page
Loading...
– 18 –
MAC9702008C2
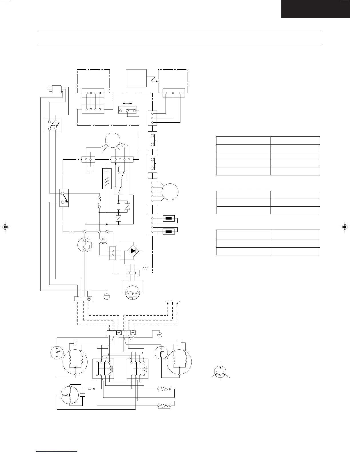
CS-MC90KE
Wiring Diagram
CS-MC90KE / CU-MC180KE
12
TERMINAL
INDOOR UNIT A
CN-RCV(W)
CN-DISP(W)
MAIN SW
432
1234
MOTOR
CN-STM(G) CN-TH(Y)
123454321
(INTAKE TEMP.)
SENSOR
B
B
B
W
W
W
W
Y/G
B
BR
POWER SUPPLY CORD
DISPLAY LAMP
CN-DISP(W)
CONTROL
REMOTE
WIRELESS
CONTROLLER
ELECTRONIC
(RECEIVER)
CN-RCV (W)
AUTO SW
PUMP DOWN SW
TRANSFORMER
RY-C
RY-M
RY-H
ZNR
CN-FM(G)
CAPACITOR
SSR
FAN
MOTOR
P
L
FUSE(3.15A)
BR
W
135
Y
BR
O
13
B
R
T(BL) T(BL)
W
BL
Y/G
P
Y
O
R
BR
BA
REMOTE
CONTROL No.
2
13
4 ELECTRONIC CONTROLLER
(G)
CN-C
1
ELECTRONIC
CONTROLLER
BL
BL
220-240V, 50Hz
LOUVER
3
2
1
7
BL
321
(TEST RUN)
ZNR
OLP (W)
SENSOR
(PIPE TEMP.)
R
R
THERMAL
FUSE
(99°C)
(102°C)
FUSE
THERMAL
RR
W
W
13
CR1
CN-T(W)
CN-FUSE(B)
21
YELLOW
REDBLUE
COMPRESSOR TERMINAL
TRADE MARK
COMPRESSOR B
BR
CAPACITOR
Y
3
1
OLP
FAN MOTOR
R
B
12
Y/G
Y
OLP
1
3
Y
CAPACITOR
RB
COMPRESSOR A
16
RELAY
B1412
11 13 15 A A151311
RELAY
12 14 16 B
BR
BL
Y
B
B
BL
RESISTOR
RESISTOR
BL
W
ORG
GRY
CAPACITOR
Y
BL
BR
Y
W
BL
B
B
Y/GY/G
Y
TO INDOOR UNIT B
9740312
CS-MC90KE/CU-MC140KE
A-007A.DWG
370V 25µF
370V
25µF
FUSE
3.15A
250V
450V 3µF
REMARKS:
B : BLUE
BR : BROWN
BL : BLACK
W : WHITE
R : RED
O : ORANGE
P : PINK
Y/G : YELLOW/
GREEN
GRY : GRAY
Resistance of Compressor Windings
2PS134D2AA01 ()
4.20
4.95
CONNECTION
C-R
C-S
CONNECTION
YELLOW - BLUE
YELLOW - BROWN
BROWN - ORANGE
ORANGE - RED
CWA92232 ()
495.2
74.5
77.7
370.4
Resistance of Indoor Fan Motor Windings
CONNECTION
BLUE - YELLOW
YELLOW - RED
CWA95269 ()
71.1
96.9
Resistance of Outdoor Fan Motor Windings
Untitled-24 6/25/00, 5:31 PM18

Related product manuals