EasyManua.ls Logo

Panasonic CS-PW18GKE

Panasonic CS-PW18GKE
53 pages
To Next Page IconTo Next Page
To Next Page IconTo Next Page
To Previous Page IconTo Previous Page
To Previous Page IconTo Previous Page
Loading...
14
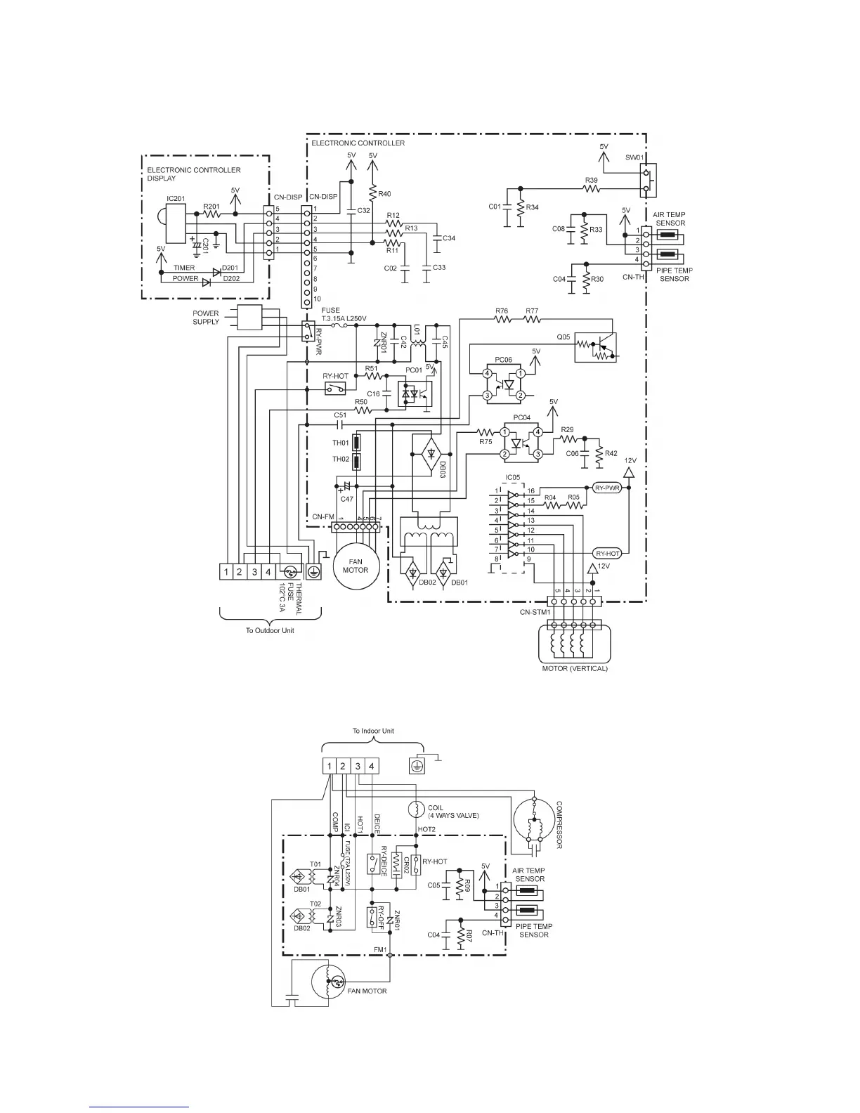
9 Electronic Circuit Diagram
9.1. Indoor Unit
9.2. Outdoor Unit

Table of Contents

Related product manuals