EasyManua.ls Logo

Panasonic CS-S9MKQ - Page 28

Panasonic CS-S9MKQ
144 pages
To Next Page IconTo Next Page
To Next Page IconTo Next Page
To Previous Page IconTo Previous Page
To Previous Page IconTo Previous Page
Loading...
28
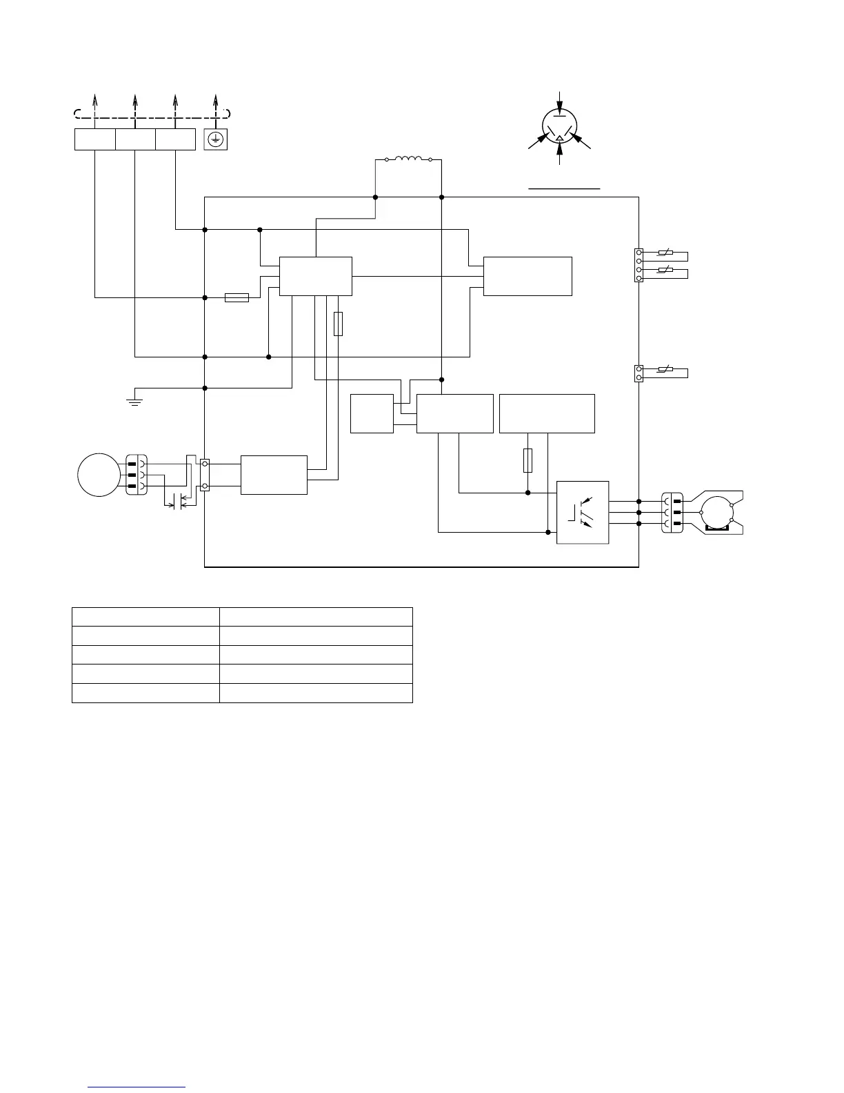
7.2.3 CU-S18MKQ CU-S24MKQ
5
1
TERMINAL
BOARD
TO INDOOR UNIT
COMPRESSOR
SENSOR
COMPLETE
OUTDOOR AIR TEMP.
SENSOR (THERMISTOR)
PIPING TEMP.
SENSOR (THERMISTOR)
1
2
3
4
CN-TH1
(WHT)
t
0
t
0
AC-WHT
(WHT)
CN-ACFM
(WHT)
FG1
(GRN)
GRN
BLK
WHT
AC-BLK
(BLK)
COM3
(RED)
RED
GRY
L2-1
GRY
L2-0
REACTOR
RED
BLU
YLW
(RED)
FUSE1
T3.15A L250V
(BLU)
(YLW)
U
V
W
COMP. TEMPERATURE
SENSOR (THERMISTOR)
SENSOR
COMPLETE
1
3
CN-TANK
(WHT)
t
0
MS
3 ~
P
N
SWITCHING POWER
SUPPLY CIRCUIT
RECTIFICATION
CIRCUIT
FUSE2
T3.15A L250V
FAN MOTOR
CIRCUIT
FUSE3
(20A 250V)
RED (RED)
TRADE MARK
BLUE (BLU)
YELLOW (YLW)
COMP. TERMINAL
3
(RED)
2
(WHITE)
1
(BLACK)
NOISE FILTER
CIRCUIT
COMMUNICATION
CIRCUIT
PFC
CIRCUIT
ELECTRONIC CONTROLLER
YLW
RED
BLU
FAN MOTOR
M
1~
BLU
CAPACITOR
Resistance of Compressor Windings
MODEL CU-S18MKQ/CU-S24MKQ
CONNECTION 5RD132XBA21
U-V 1.897
U-W 1.907
V-W 1.882

Table of Contents

Other manuals for Panasonic CS-S9MKQ

Related product manuals