EasyManua.ls Logo

Panasonic CS-TE12DKE - 5 Refrigeration Cycle Diagram

Panasonic CS-TE12DKE
80 pages
To Next Page IconTo Next Page
To Next Page IconTo Next Page
To Previous Page IconTo Previous Page
To Previous Page IconTo Previous Page
Loading...
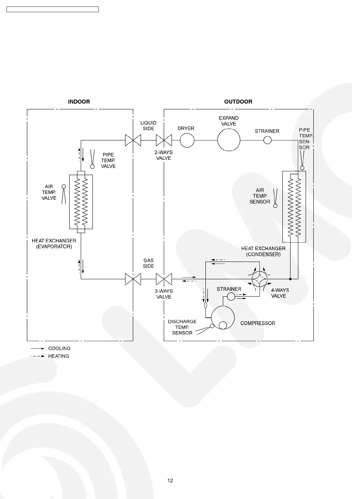
5 Refrigeration Cycle Diagram
12
CS-TE9DKE CU-TE9DKE / CS-TE12DKE CU-TE12DKE

Table of Contents

Other manuals for Panasonic CS-TE12DKE

Related product manuals