EasyManua.ls Logo

Panasonic CS-TZ71WKEW

Panasonic CS-TZ71WKEW
233 pages
To Next Page IconTo Next Page
To Next Page IconTo Next Page
To Previous Page IconTo Previous Page
To Previous Page IconTo Previous Page
Loading...
46
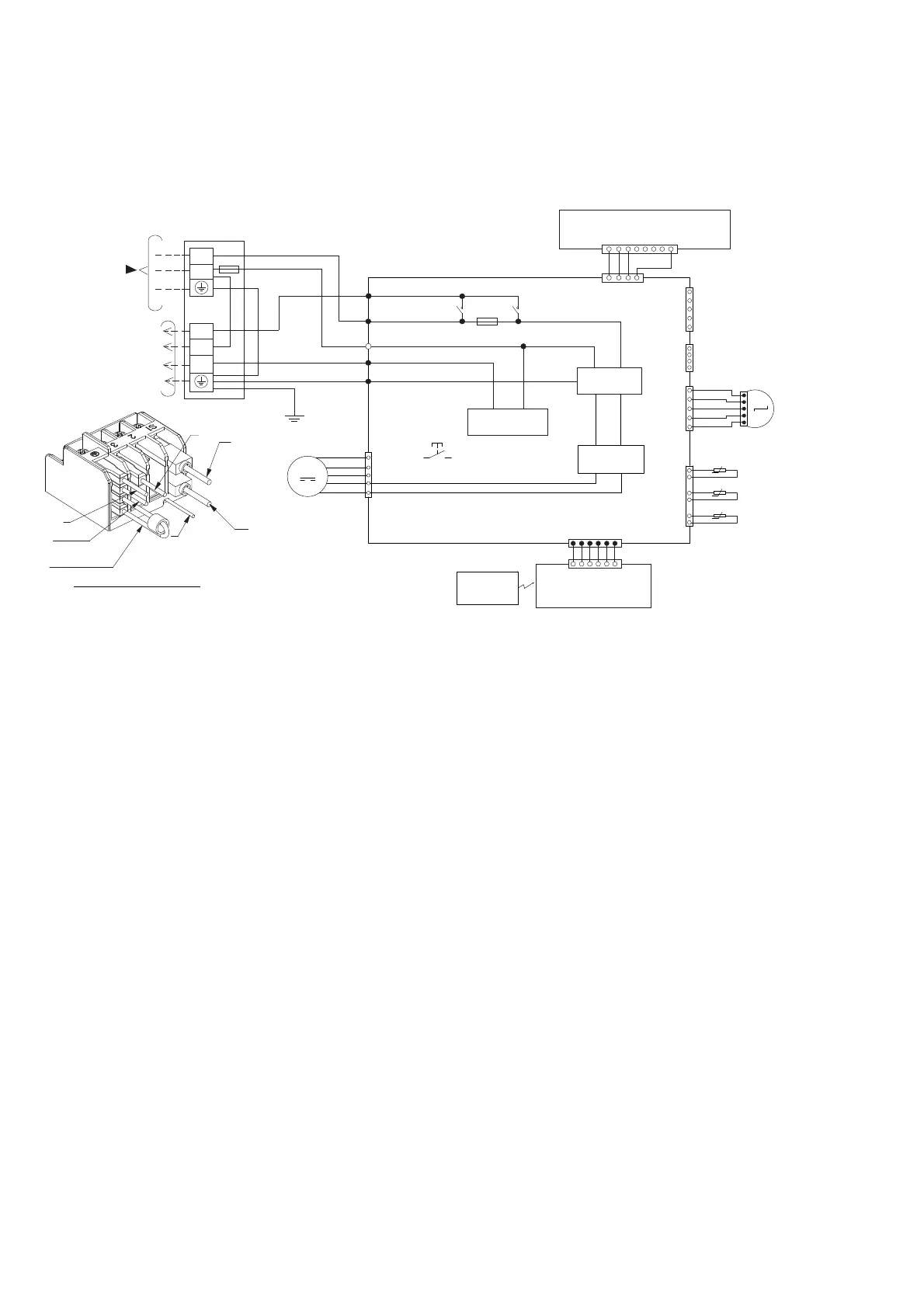
9. Wiring Connection Diagram
9.1 Indoor Unit
9.1.1 CS-TZ20WKEW CS-TZ25WKEW CS-TZ35WKEW CS-TZ42WKEW CS-TZ50WKEW
CS-RZ20WKEW CS-RZ25WKEW CS-RZ35WKEW CS-RZ50WKEW
ELECTRONIC CONTROLLER
(MAIN)
CN–RMT
(WHT)
4
1
BR
R
O
Y
P
WWWWW W
1
5
1
M
5
UP DOWN
LOUVER MOTOR
CN–STM1
(WHT)
5
1
CN–CNT
(WHT)
1
7
4
CN
FM
(WHT)
REMARKS :
B : BLUE P : PINK
BR : BROWN O : ORANGE
BL : BLACK Y : YELLOW
W : WHITE G : GREEN
R : RED GR : GRAY
Y/G : YELLOW/GREEN
ELECTRONIC CONTROLLER
(DISPLAY AND RECEIVER)
CN-DISP
(WHT)
1
6
REMOTE
CONTROLLER
COMPLETE
FAN MOTOR
CN–TH
(RED)
PIPING TEMP. SENSOR 1 (THERMISTOR)
PIPING TEMP. SENSOR 2 (THERMISTOR)
SUCTION TEMP. SENSOR (THERMISTOR)
AC308 (BLK)
RY-PWR
RY-PWR2
AC307 (BRW)
AC303 (WHT)
AC304 (RED)
G301 (GRN)
EVAPORATOR
Y/G
Y/G
BL
BR
W
R
G
TERMINAL
BOARD
SINGLE PHASE
POWER SUPPLY
COMMUNICATION
CIRCUIT
NOISE FILTER
CIRCUIT
TO OUTDOOR UNIT
L1
N
2
S1
3
TEMP. FUSE 102°C
FUSE301
T3.15A L250V
GR GR GR GR
ELECTRONIC CONTROLLER (WIFI MODULE)
CN-WLAN
(BLK)
CN-WLAN
(WHT)
4
13 8
1
RECTIFICATION
CIRCUIT
SW01
CN-DISP
(YLW)
M
B
BL
Y
W
R
1
6
16
Y/G (WITH CORE)
G
Y/G (EVA)
REAR VIEW OF TERMINAL BOARD
BR
W
R
BL

Table of Contents

Other manuals for Panasonic CS-TZ71WKEW

Related product manuals