EasyManua.ls Logo

Panasonic CS-XE12CKE

Panasonic CS-XE12CKE
110 pages
To Next Page IconTo Next Page
To Next Page IconTo Next Page
To Previous Page IconTo Previous Page
To Previous Page IconTo Previous Page
Loading...
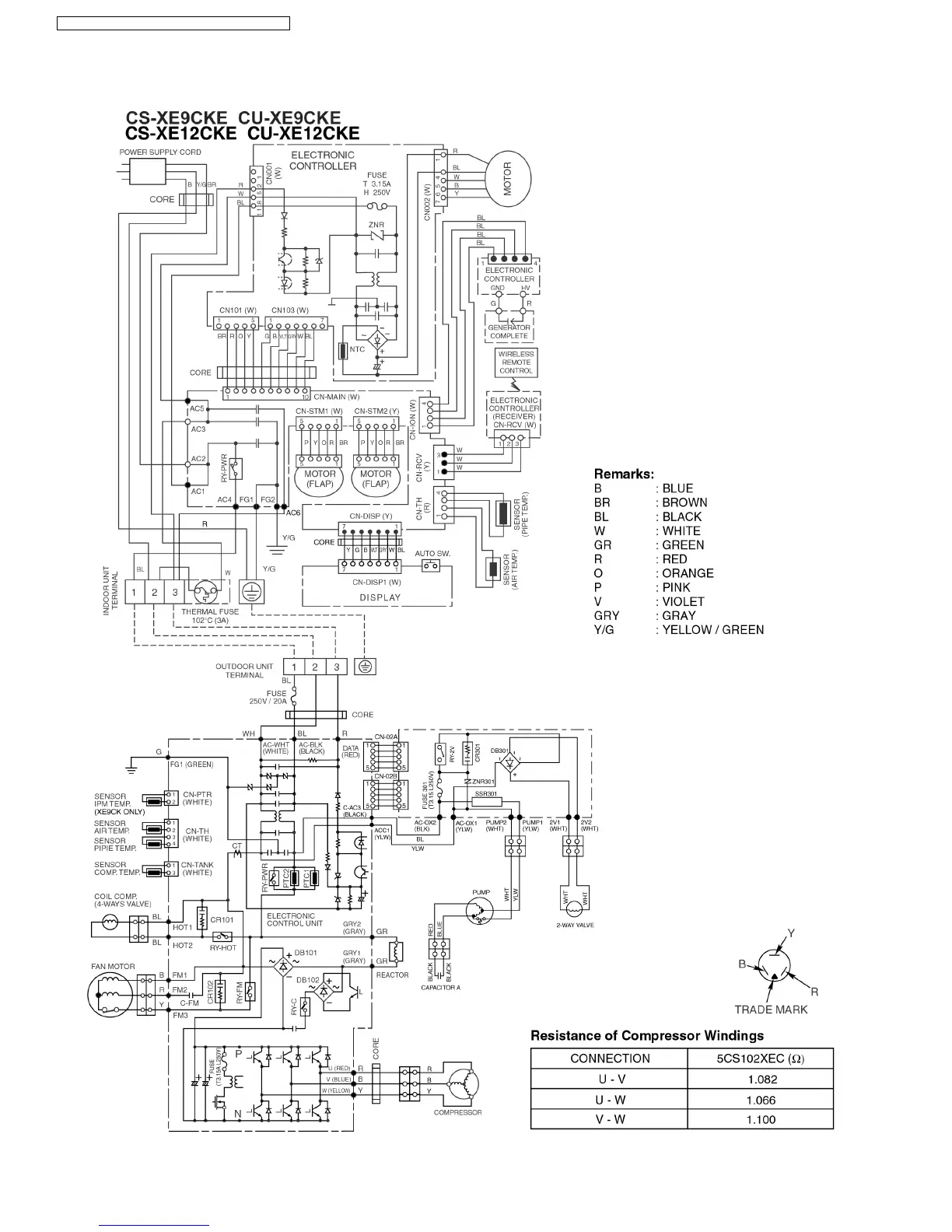
7 Wiring Diagram
14
CS-XE9CKE CU-XE9CKE / CS-XE12CKE CU-XE12CKE
Panasonic ilmalämpöpumput korjaa ja huoltaa pääkaupunkiseudulla: Jäähdytinpalvelu RefGroup Oy
www.ilmalämpöpumput.com

Table of Contents

Related product manuals