EasyManua.ls Logo

Panasonic CS-XZ35XKEW - 7 Refrigeration Cycle Diagram

Panasonic CS-XZ35XKEW
198 pages
To Next Page IconTo Next Page
To Next Page IconTo Next Page
To Previous Page IconTo Previous Page
To Previous Page IconTo Previous Page
Loading...
31
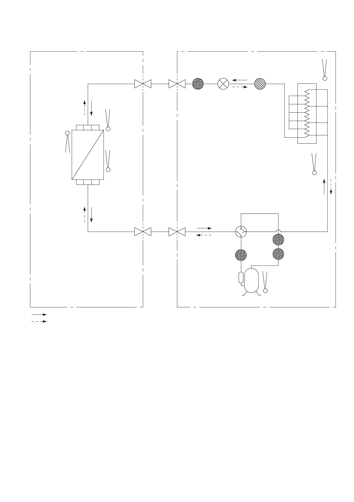
7. Refrigeration Cycle Diagram
INDOOR OUTDOOR
INTAKE
AIR
TEMP.
SENSOR
AIR
TEMP.
SENSOR
PIPE
TEMP.
SENSOR 1
PIPE
TEMP.
SENSOR 2
TANK
SENSOR
PIPE
TEMP.
SENSOR
LIQUID
SIDE
2-WAY
VALVE
3-WAY
VALVE
GAS
SIDE
COOLING
HEAT EXCHANGER
(EVAPORATOR)
HEATING
COMPRESSOR
4-WAYS VALVE
CONDENSER
MUFFLER
MUFFLER
MUFFLER
(FOR Z20/25XK ONLY)
STRAINER
EXPANSION
VALVE
MUFFLER
(FOR Z20/25XK ONLY)

Table of Contents

Other manuals for Panasonic CS-XZ35XKEW

Related product manuals