EasyManua.ls Logo

Panasonic CT-27G7DF - Page 19

Panasonic CT-27G7DF
28 pages
Print Icon
To Next Page IconTo Next Page
To Next Page IconTo Next Page
To Previous Page IconTo Previous Page
To Previous Page IconTo Previous Page
Loading...
- 19 -
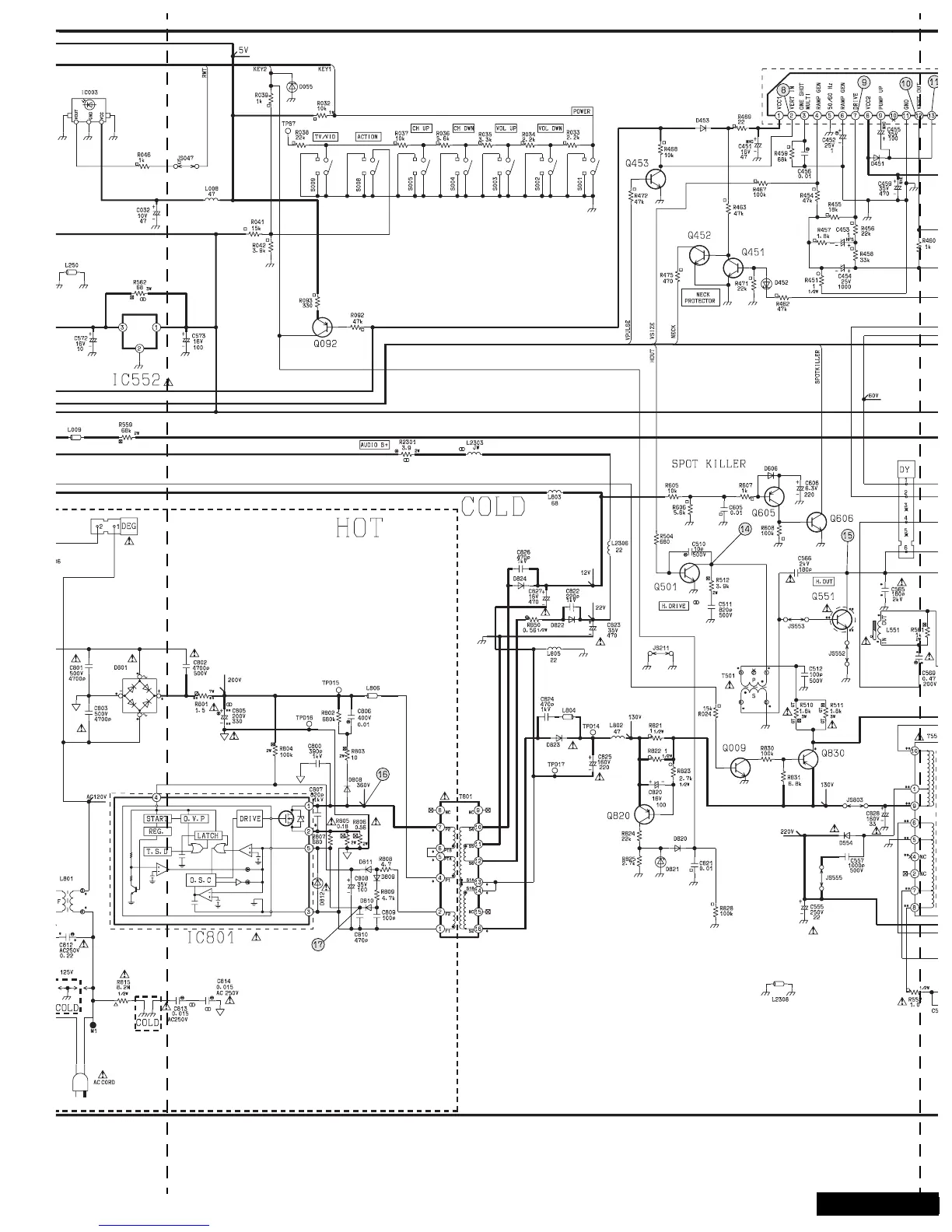
A-Board
A-Board

Related product manuals