EasyManua.ls Logo

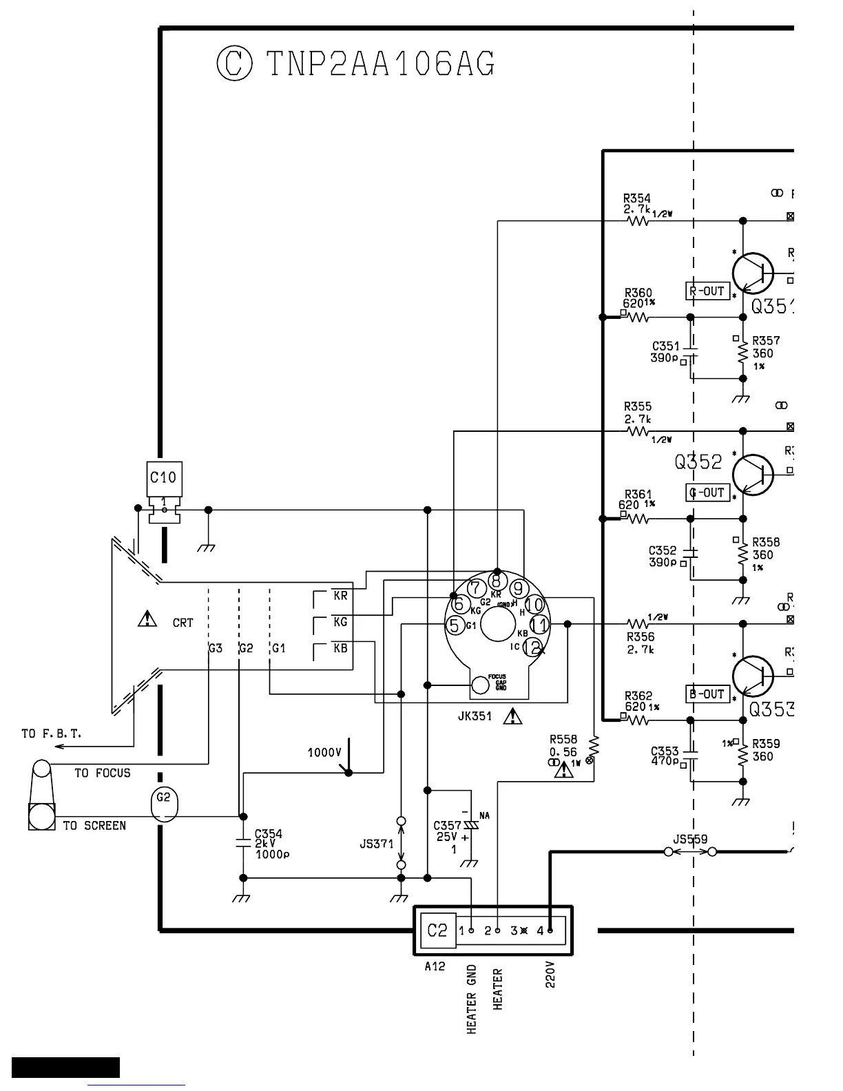
Panasonic CT-27G7DF - C-Board Schematic

Panasonic CT-27G7DF
28 pages
Print Icon
To Next Page IconTo Next Page
To Next Page IconTo Next Page
To Previous Page IconTo Previous Page
To Previous Page IconTo Previous Page
Loading...
- 24 -
C-Board

Related product manuals