EasyManua.ls Logo

Panasonic CU-2C18EKH - Cs-C9 Ekzw Cu-3 C20 Ekh

Panasonic CU-2C18EKH
57 pages
Print Icon
To Next Page IconTo Next Page
To Next Page IconTo Next Page
To Previous Page IconTo Previous Page
To Previous Page IconTo Previous Page
Loading...
17
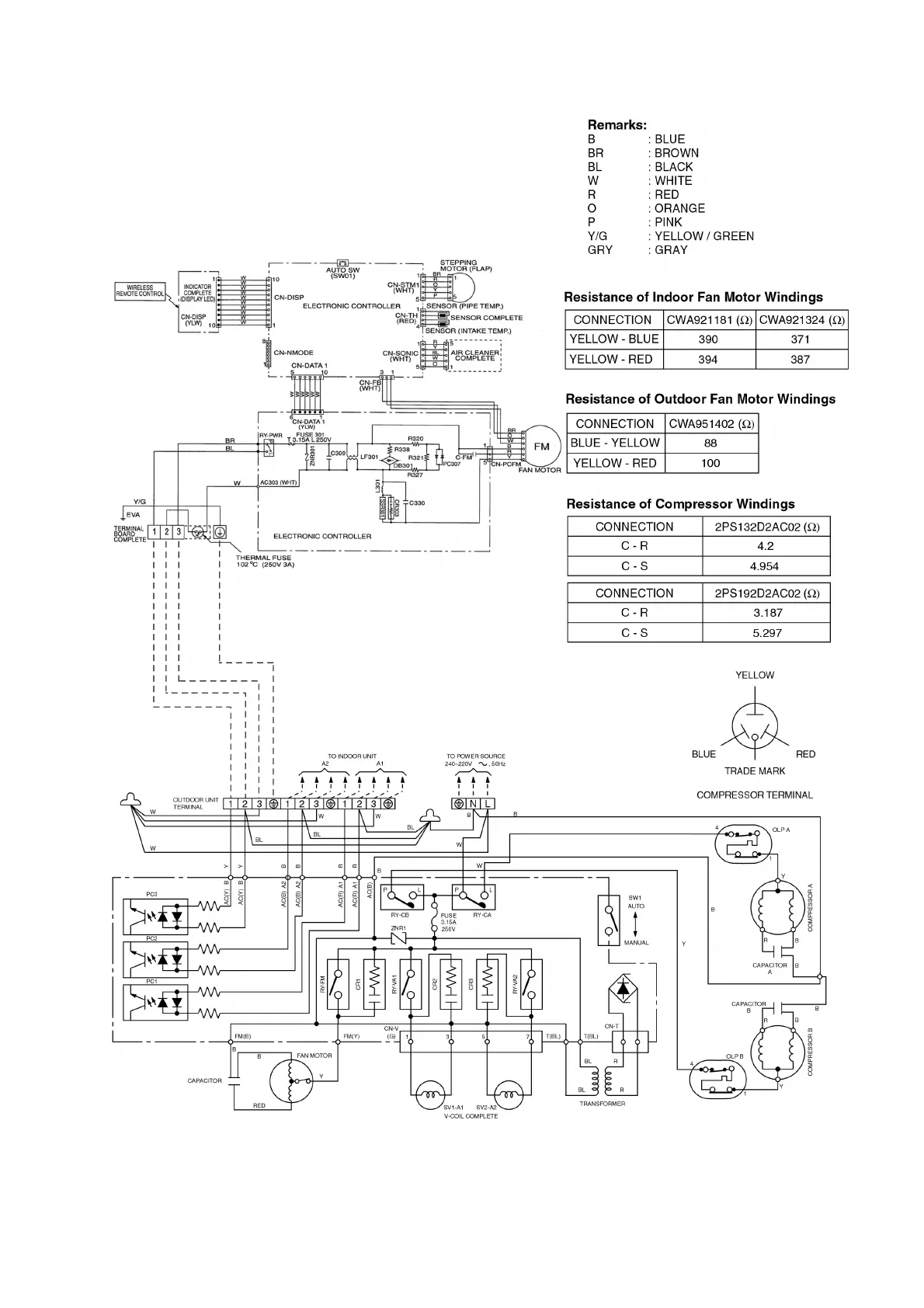
8.2. CS-C9EKZW CU-3C20EKH

Related product manuals