EasyManua.ls Logo

Panasonic CU-2E15PBE - 7 Electronic Circuit Diagram; Cu-2 E15 Pbe Cu-2 E18 Pbe

Panasonic CU-2E15PBE
105 pages
Print Icon
To Next Page IconTo Next Page
To Next Page IconTo Next Page
To Previous Page IconTo Previous Page
To Previous Page IconTo Previous Page
Loading...
28
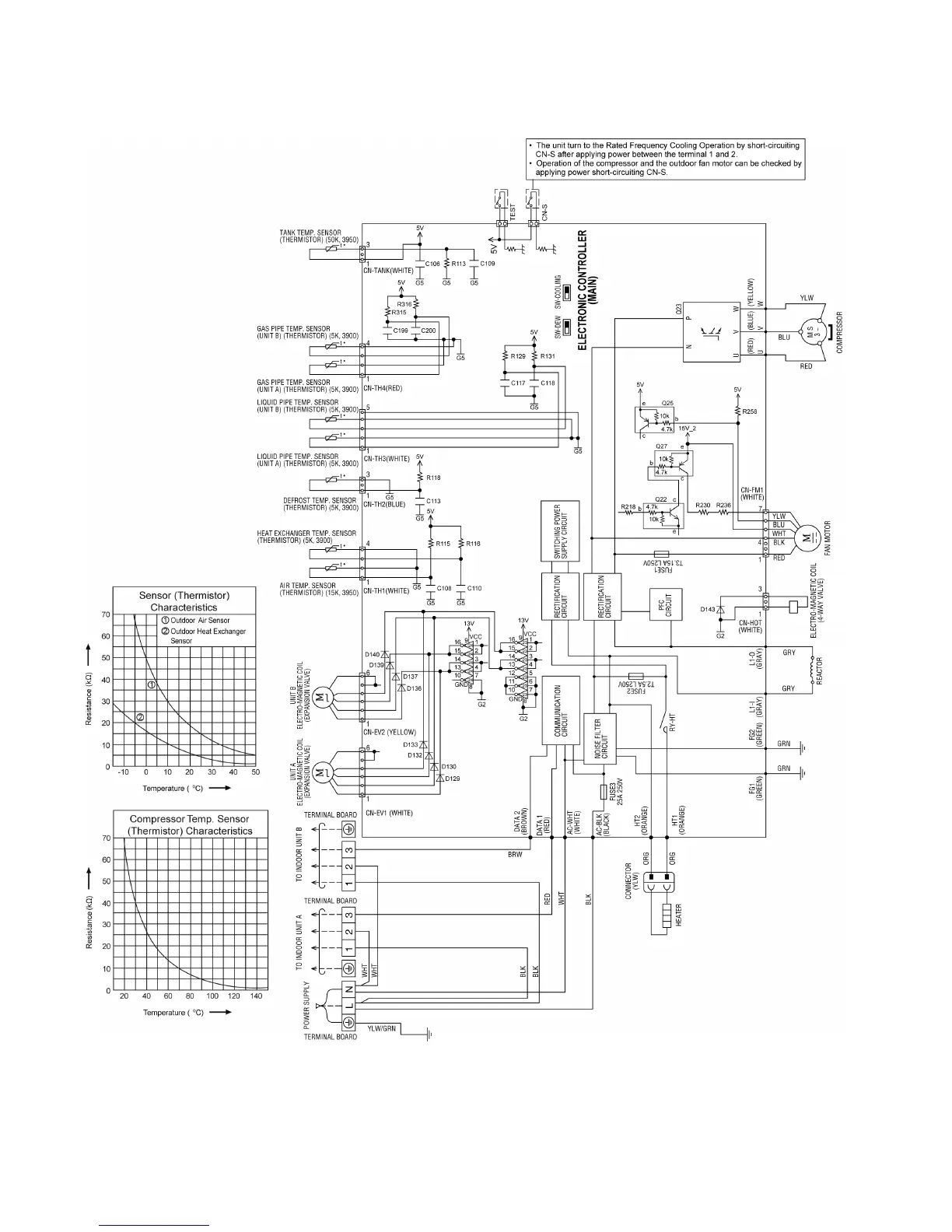
7. Electronic Circuit Diagram
7.1 CU-2E15PBE CU-2E18PBE

Table of Contents

Other manuals for Panasonic CU-2E15PBE

Related product manuals