EasyManua.ls Logo

Panasonic CU-2E15PBE - 9 Installation Information; Cu-2 E15 Pbe

Panasonic CU-2E15PBE
105 pages
Print Icon
To Next Page IconTo Next Page
To Next Page IconTo Next Page
To Previous Page IconTo Previous Page
To Previous Page IconTo Previous Page
Loading...
35
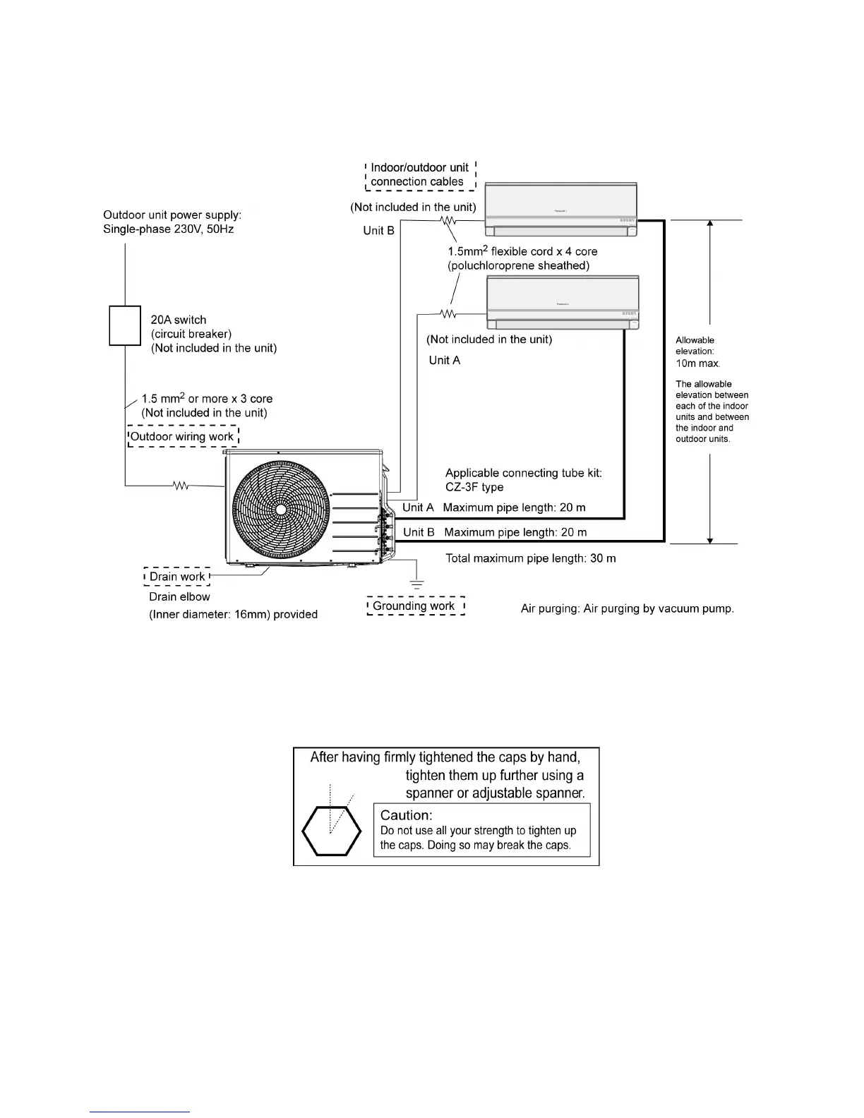
9. Installation Information
9.1 CU-2E15PBE
9.1.1 Check Points
9.1.2 The Shapes of the 3-Way Valve Caps of the Outdoor Unit Have Been Changed
Accompanying the changes in the shapes of the 3-way valve caps, the tightening method has also been changed.
Firmly tighten the 3-way valve caps by hand, and then tighten them up by another 30 degrees or so (one-twelfth
of a full turn) using a spanner or adjustable spanner.

Table of Contents

Other manuals for Panasonic CU-2E15PBE

Related product manuals