EasyManua.ls Logo

Panasonic CU-D50DBQ7 - Cu-D34 Dbq7 Cu-D43 Dbq7 Cu-D50 Dbq7

Panasonic CU-D50DBQ7
113 pages
Print Icon
To Next Page IconTo Next Page
To Next Page IconTo Next Page
To Previous Page IconTo Previous Page
To Previous Page IconTo Previous Page
Loading...
22
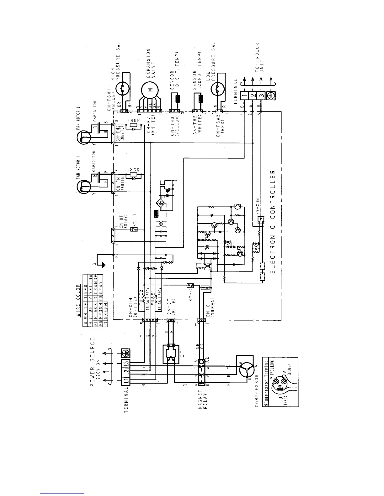
7.2. CU-D34DBQ7 CU-D43DBQ7 CU-D50DBQ7

Table of Contents