EasyManua.ls Logo

Panasonic CU-E12NKE-3

Panasonic CU-E12NKE-3
189 pages
To Next Page IconTo Next Page
To Next Page IconTo Next Page
To Previous Page IconTo Previous Page
To Previous Page IconTo Previous Page
Loading...
42
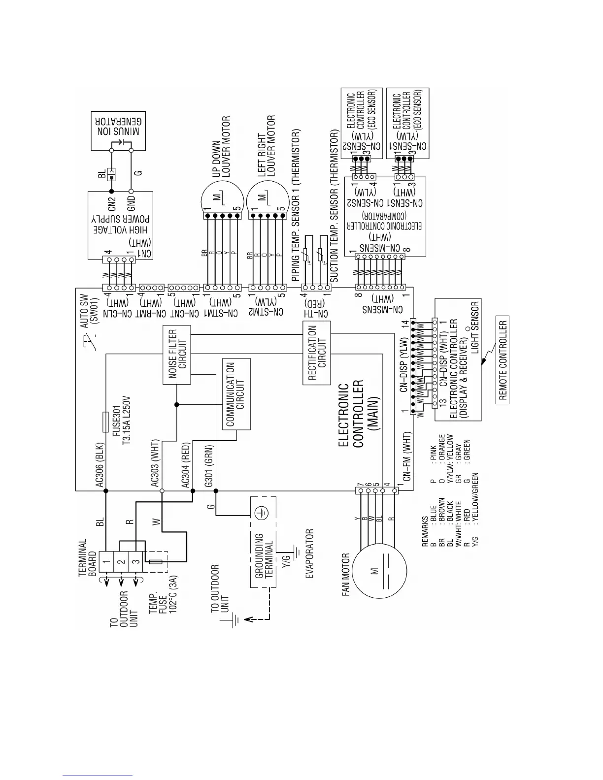
8. Wiring Connection Diagram
8.1 Indoor Unit

Table of Contents

Other manuals for Panasonic CU-E12NKE-3

Related product manuals