EasyManua.ls Logo

Panasonic CU-E18NKR - Outdoor Unit

Panasonic CU-E18NKR
205 pages
Print Icon
To Next Page IconTo Next Page
To Next Page IconTo Next Page
To Previous Page IconTo Previous Page
To Previous Page IconTo Previous Page
Loading...
45
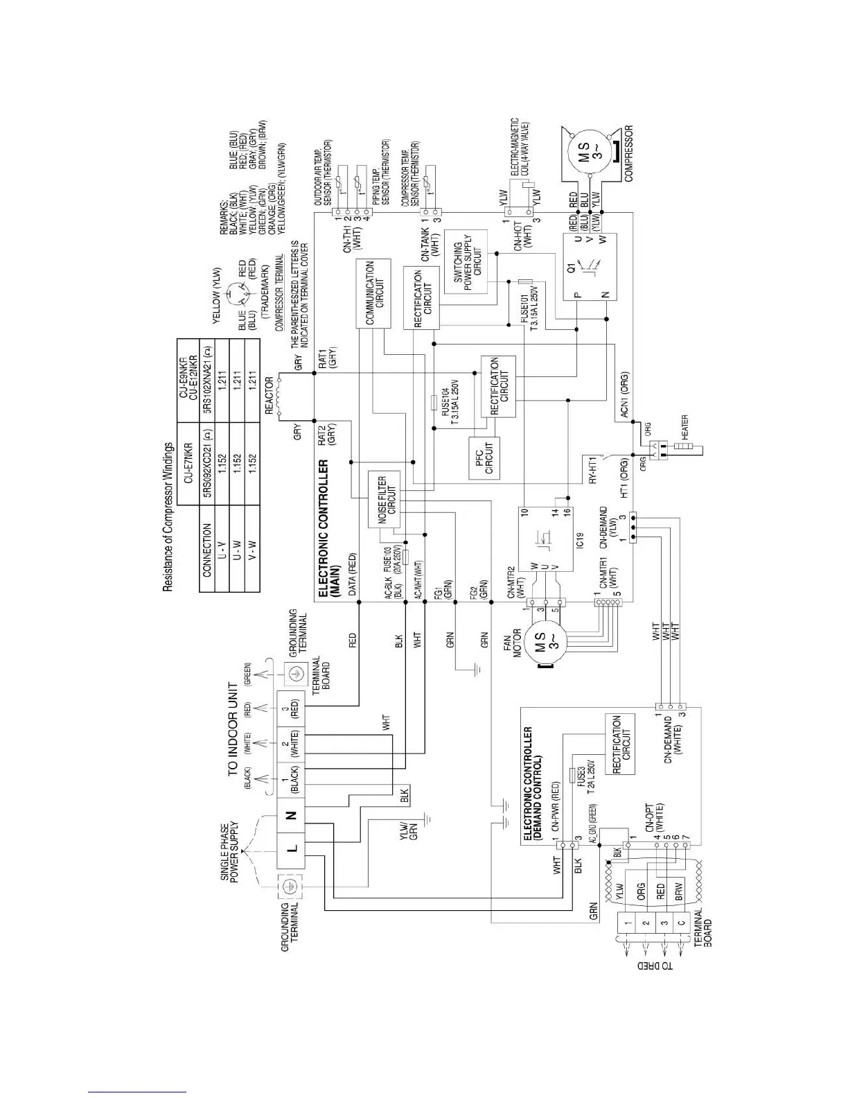
8.2 Outdoor Unit
8.2.1 CU-E7NKR CU-E9NKR CU-E12NKR

Table of Contents

Other manuals for Panasonic CU-E18NKR

Related product manuals