EasyManua.ls Logo

Panasonic CU-E18NKUA - 9 Electronic Circuit Diagram; Indoor Unit

Panasonic CU-E18NKUA
82 pages
Print Icon
To Next Page IconTo Next Page
To Next Page IconTo Next Page
To Previous Page IconTo Previous Page
To Previous Page IconTo Previous Page
Loading...
16
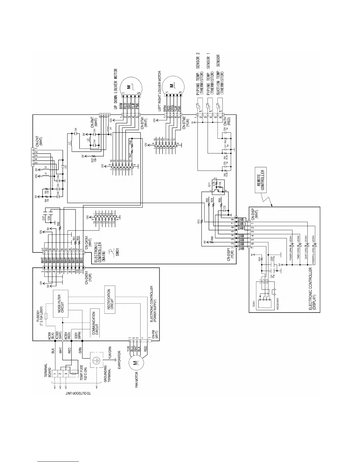
9. Electronic Circuit Diagram
9.1 Indoor Unit

Table of Contents

Other manuals for Panasonic CU-E18NKUA

Related product manuals